● Стандарт: IEC/EN 61643-31
● Номинальная мощность импульса: Imax=40 кА (8/20 мкс)
● Уровень защиты по напряжению (Up): <5,2 кВ
● Категория IEC/EN: Класс II / Тип 2
● Макс. постоянное рабочее напряжение (Ucpv): 600, 1000, 1500 В
● Корпус: съемная конструкция
Серия EKU5-T2-40PV — это подключаемый многополюсный сетевой фильтр (SPD) типа 2, предназначенный для использования в фотоэлектрических солнечных системах. Он устанавливается на стороне постоянного тока для защиты оконечных устройств в фотоэлектрической системе, таких как солнечные панели и инверторы, от воздействия токов перенапряжения молнии.
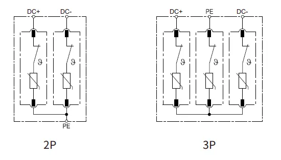
| Количество полюсов | 2P(2Мода),3P(3Мода) | |||
| Место использования | Струнный ящик, Инвертор | |||
| Режим защиты | (DC+)-PE,(DC-)-PE,(DC+)-(DC-) | |||
| Защитные элементы | Высокоэнергетический MOV | |||
| Максимальное непрерывное рабочее напряжение постоянного тока | UCPV | 600В | 1000В | 1500В |
| Номинальный ток разряда (8/20 мкс) | В | 20кА | ||
| Полный ток разряда (8/20 мкс) | Всего | 40кА | ||
| Максимальный ток разряда (8/20 мкс) | Имакс | 40кА | ||
| Уровень защиты по напряжению (2P) | Вверх | 2,6 кВ | 4.0кВ | / |
| Уровень защиты по напряжению (3P) | Вверх | / | 4.0кВ | 5.2кВ |
| Время отклика | тА | ≤25нс | ||
| Диапазон рабочих температур | вт | -40℃ до +80℃ | ||
| Индикация рабочего состояния/неисправности | Зеленый/Красный | |||
| Площадь поперечного сечения (мин.)/(макс.) | 4мм²/35мм² | |||
| Монтаж | DIN-рейка 35 мм, EN 60715 | |||
| Материал корпуса | Термопластик UL94-V0 | |||
| Степень защиты | IP20 (встроенный) | |||


| Количество поляков | Макс. непрерывное рабочее напряжение постоянного тока | ||
|
600VDC |
1000VDC |
1500VDC |
|
| 2Модуль |
EKU5-T2-40PV-2M600 |
EKU5-T2-40PV-2M1000 |
- |
| 3Модуль |
- |
EKU5-T2-40PV-3M1000 |
EKU5-T2-40PV-3M1500 |
| С дистанционной сигнализацией | |||
| 2Модуль |
EKU5-T2-40PV-2M600S |
EKU5-T2-40PV-2M1000S |
- |
| 3Модуль | - |
EKU5-T2-40PV-3M1000S |
EKU5-T2-40PV-3M1500S |
