● Стандарт: IEC61008-1
● Тип: AC, A
● Номинальный ток: 16~63А
● Номинальное напряжение: 230/400 В~240/415 В
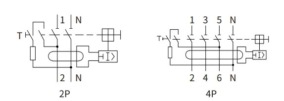
● Полюса: 2P(1P+N), 4P(3P+N), N-полюс справа
● Номинальная чувствительность I△n: 30 мА, 100 мА, 300 мА, 10 мА (2P, 1P+N; 16A, 25A)
● Номинальная отключающая способность при коротком замыкании: 6 кА, 10 кА
● Температура окружающего воздуха: -25...+40ºC
● Подключение: сверху и снизу
● Сертификаты: CB, CE, TUV
EKL1-63 Устройство защитного отключения подходит для цепей переменного тока 50/60 Гц. Номинальное напряжение 240 В для 1P+N и 415 В для 3P+N, а номинальный ток до 63 А. Когда люди сталкиваются с поражением электрическим током или ток утечки электрической сети превышает фиксированное значение, это изделие может отключить ток короткого замыкания в течение короткого периода времени, чтобы защитить человека и оборудование, также его можно использовать при нечастом запуске цепи и двигателей. Автоматический выключатель подходит для промышленности, торговли, высотных зданий, домашних хозяйств и других мест. Это изделие соответствует стандарту IEC/EN61008-1.
Высокая отключающая способность: доступны варианты 6 кА и 10 кА, что обеспечивает гибкость для различных областей применения.
Универсальный диапазон тока: поддерживает номинальные токи от 16 А до 63 А, что позволяет использовать его в различных электрических системах.
Несколько вариантов конфигурации: предлагаются конфигурации 1P+N, 3P+N для различных требований к установке.
Соответствие стандарту IEC 61008-1: соответствует международным стандартам для устройств защитного отключения, гарантируя надежную работу.
Эффективное обнаружение утечек: защищает от опасных токов утечки, повышая общую электробезопасность.
Прочная конструкция: изготовлена из высококачественных материалов для долговечности и надежности.
Простая установка: разработан для легкой интеграции в существующие электрические системы с простым монтажом.
Понятный дисплей индикаторов: имеет видимые индикаторы ВКЛ/ВЫКЛ и отключения для эффективного мониторинга и быстрой диагностики неисправностей.
Комплексная защита: обеспечивает улучшенную защиту от перегрузок и коротких замыканий при использовании с автоматическим выключателем.
Жилые электроустановки
Коммерческие и офисные здания
Промышленные предприятия и производственные мощности
Здания общественного сектора (школы, больницы и т. д.)
Розничные магазины и торговые центры
Места гостеприимства, такие как отели и курорты
ИТ-инфраструктура и центры обработки данных
Системы возобновляемой энергии
EKL1-63 RCCB от ETEK Electric разработан для соответствия самым высоким стандартам безопасности, обеспечивая надежную защиту как для людей, так и для оборудования. Выбирая EKL1-63, вы инвестируете в высококачественное решение для защиты цепи, которое обеспечивает безопасность и эффективность ваших электрических систем. Идеально подходящий как для новых установок, так и для модернизации, EKL1-63 RCCB является надежным выбором для современных потребностей в электробезопасности.
|
Стандарт
|
МЭК/EN61008-1
|
||
|
Защита
|
Замыкание на землю
|
||
|
Тип поездки
|
Электромагнитный
|
||
|
Тип защиты (утечка тока)
|
АС, А
|
||
|
Количество полюсов
|
2P(1P+N), 4P(3P+N), N-полюс справа
|
||
| Номинальный ток In | 16,25,32,40,63А | ||
|
Номинальные токи чувствительности I△n
|
10,30,100,300мА (10мА только для In=16-25A)
|
||
|
Остаточный ток выключения при I△n
|
≤0,1с
|
||
|
Номинальная остаточная включающая и отключающая способность (I△m)
|
500A(In≤50A),10In (In>50A)
|
||
| Номинальное напряжение Ue |
1P+N: 230/240В~, 3P+N: 400/415В~
|
||
| Номинальная частота | 50/60Гц | ||
|
предохранитель SCPD
|
ЭКЛ1-63: 6000А | ||
| EKL1-63H: 10 000 А | |||
| Номинальное импульсное выдерживаемое напряжение (1,5/50) Uimp | 4000В | ||
| Напряжение испытания диэлектрика при инд.частоте в течение 1 мин | 2кВ | ||
| Электрическая жизнь | 2000 циклов | ||
| Механическая жизнь | 4000 циклов | ||
| Индикатор положения контакта | Да | ||
| Степень защиты | IP20 | ||
| Температура окружающей среды |
-25℃ до +40℃, макс. влажность 95%
|
||
| Тип клеммного соединения |
Кабель/Шина штыревого типа/Шина вилочного типа
|
||
|
Макс. размер клеммы для кабеля
|
25мм 2 | ||
|
Макс. момент затяжки
|
2.5Нм | ||
|
Установка
|
Монтаж на DIN-рейку 35 мм
|
||
| Связь |
Сверху и снизу
|
||


| Отключающая способность | Поляки | Номинальный ток (А) | Тип переменного тока | ||
| Чувствительность | |||||
| 30mA | 100mA | 300mA | |||
| 6KA | 1P+N | 16A | EKL1-63-1N1630 | EKL1-63-1N16100 | EKL1-63-1N16300 |
| 25A | EKL1-63-1N2530 | EKL1-63-1N25100 | EKL1-63-1N25300 | ||
| 32A | EKL1-63-1N3230 | EKL1-63-1N32100 | EKL1-63-1N32300 | ||
| 40A | EKL1-63-1N4030 | EKL1-63-1N40100 | EKL1-63-1N40300 | ||
| 50A | EKL1-63-1N5030 | EKL1-63-1N50100 | EKL1-63-1N50300 | ||
| 63A | EKL1-63-1N6330 | EKL1-63-1N63100 | EKL1-63-1N63300 | ||
| 3P+N | 16A | EKL1-63-3N1630 | EKL1-63-3N16100 | EKL1-63-3N16300 | |
| 25A | EKL1-63-3N2530 | EKL1-63-3N25100 | EKL1-63-3N25300 | ||
| 32A | EKL1-63-3N3230 | EKL1-63-3N32100 | EKL1-63-3N32300 | ||
| 40A | EKL1-63-3N4030 | EKL1-63-3N40100 | EKL1-63-3N40300 | ||
| 50A | EKL1-63-3N5030 | EKL1-63-3N50100 | EKL1-63-3N50300 | ||
| 63A | EKL1-63-3N6330 | EKL1-63-3N63100 | EKL1-63-3N63300 | ||
| 10KA | 1P+N | 16A | EKL1-63H-1N1630 | EKL1-63-1N16100A | EKL1-63-1N16300A |
| 25A | EKL1-63H-1N2530 | EKL1-63H-1N16100 | EKL1-63H-1N16300 | ||
| 32A | EKL1-63H-1N3230 | EKL1-63H-1N25100 | EKL1-63H-1N25300 | ||
| 40A | EKL1-63H-1N4030 | EKL1-63H-1N32100 | EKL1-63H-1N32300 | ||
| 50A | EKL1-63H-1N5030 | EKL1-63H-1N40100 | EKL1-63H-1N40300 | ||
| 63A | EKL1-63H-1N6330 | EKL1-63H-1N50100 | EKL1-63H-1N50300 | ||
| 3P+N | 16A | EKL1-63H-3N1630 | EKL1-63H-3N16100 | EKL1-63H-3N16300 | |
| 25A | EKL1-63H-3N2530 | EKL1-63H-3N25100 | EKL1-63H-3N25300 | ||
| 32A | EKL1-63H-3N3230 | EKL1-63H-3N32100 | EKL1-63H-3N32300 | ||
| 40A | EKL1-63H-3N4030 | EKL1-63H-3N40100 | EKL1-63H-3N40300 | ||
| 50A | EKL1-63H-3N5030 | EKL1-63H-3N50100 | EKL1-63H-3N50300 | ||
| 63A | EKL1-63H-3N6330 | EKL1-63H-3N63100 | EKL1-63H-3N63300 | ||
| Отключающая способность | Поляки | Номинальный ток (А) | Тип А | ||
| Чувствительность | |||||
| 30mA | 100mA | 300mA | |||
| 6KA | 1P+N | 16A | EKL1-63-1N1630A | EKL1-63-1N16100A | EKL1-63-1N16300A |
| 25A | EKL1-63-1N2530A | EKL1-63-1N25100A | EKL1-63-1N25300A | ||
| 32A | EKL1-63-1N3230A | EKL1-63-1N32100A | EKL1-63-1N32300A | ||
| 40A | EKL1-63-1N4030A | EKL1-63-1N40100A | EKL1-63-1N40300A | ||
| 50A | EKL1-63-1N5030A | EKL1-63-1N50100A | EKL1-63-1N50300A | ||
| 63A | EKL1-63-1N6330A | EKL1-63-1N63100A | EKL1-63-1N63300A | ||
| 3P+N | 16A | EKL1-63-3N1630A | EKL1-63-3N16100A | EKL1-63-3N16300A | |
| 25A | EKL1-63-3N2530A | EKL1-63-3N25100A | EKL1-63-3N25300A | ||
| 32A | EKL1-63-3N3230A | EKL1-63-3N32100A | EKL1-63-3N32300A | ||
| 40A | EKL1-63-3N4030A | EKL1-63-3N40100A | EKL1-63-3N40300A | ||
| 50A | EKL1-63-3N5030A | EKL1-63-3N50100A | EKL1-63-3N50300A | ||
| 63A | EKL1-63-3N6330A | EKL1-63-3N63100A | EKL1-63-3N63300A | ||
| 10KA | 1P+N | 16A | EKL1-63H-1N1630A | EKL1-63H-1N16100A | EKL1-63H-1N16300A |
| 25A | EKL1-63H-1N2530A | EKL1-63H-1N25100A | EKL1-63H-1N25300A | ||
| 32A | EKL1-63H-1N3230A | EKL1-63H-1N32100A | EKL1-63H-1N32300A | ||
| 40A | EKL1-63H-1N4030A | EKL1-63H-1N40100A | EKL1-63H-1N40300A | ||
| 50A | EKL1-63H-1N5030A | EKL1-63H-1N50100A | EKL1-63H-1N50300A | ||
| 63A | EKL1-63H-1N6330A | EKL1-63H-1N63100A | EKL1-63H-1N63300A | ||
| 3P+N | 16A | EKL1-63H-3N1630A | EKL1-63H-3N16100A | EKL1-63H-3N16300A | |
| 25A | EKL1-63H-3N2530A | EKL1-63H-3N25100A | EKL1-63H-3N25300A | ||
| 32A | EKL1-63H-3N3230A | EKL1-63H-3N32100A | EKL1-63H-3N32300A | ||
| 40A | EKL1-63H-3N4030A | EKL1-63H-3N40100A | EKL1-63H-3N40300A | ||
| 50A | EKL1-63H-3N5030A | EKL1-63H-3N50100A | EKL1-63H-3N50300A | ||
| 63A | EKL1-63H-3N6330A | EKL1-63H-3N63100A | EKL1-63H-3N63300A | ||
