● Стандарт: IEC61008-1
● Тип: AC, A
● Номинальный ток: 25~80А
● Номинальное напряжение: 230/400 В~240/415 В
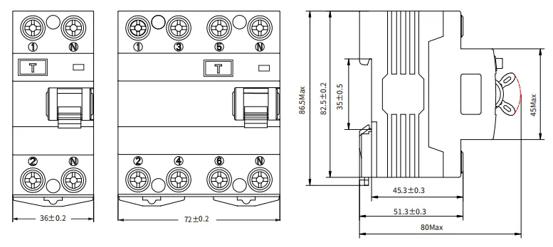
● Полюса: 2P(1P+N), 4P(3P+N), N-полюс справа
● Номинальная чувствительность I△n: 30 мА, 100 мА, 300 мА
● Температура окружающего воздуха: -25...+40 ºC
● Сертификаты: CB, CE
● Маркетинг: Центральная Азия, Россия, Южная Америка
EKL1-80 подходит для цепей с номинальным напряжением 240 В для двух полюсов, 415 В для четырех полюсов и номинальным током до 80 А. Когда поражение электрическим током или ток утечки в электросети превышают указанное значение, УЗО может быстро отключить неисправный источник питания за очень короткое время, чтобы защитить безопасность человека и электрооборудования.
|
Стандарт |
МЭК/EN61008-1 |
||
|
Защита |
Замыкание на землю |
||
|
Тип поездки |
Электромагнитный |
||
|
Тип защиты (утечка тока) |
АС, А, Г, С |
||
|
Количество полюсов |
2P(1P+N), 4P(3P+N), N-полюс справа |
||
| Номинальный ток In | 25,40,63,80А | ||
|
Номинальные токи чувствительности I△n |
30,100,300мА |
||
|
Остаточный ток выключения при I△n |
≤0,1с |
||
|
Номинальная остаточная включающая и отключающая способность (I△m) |
500A(In≤50A),10In (In>50A) |
||
| Номинальное напряжение Ue |
1P+N: 230/240В~, 3P+N: 400/415В~ |
||
| Номинальная частота | 50/60Гц | ||
|
Номинальная отключающая способность
|
6000А, 10000А | ||
|
предохранитель SCPD |
6кА (EKL1-80),10кА (EKL1-80H) | ||
| Номинальное импульсное выдерживаемое напряжение (1,5/50) Uimp | 4000В | ||
| Напряжение испытания диэлектрика при инд. частоте в течение 1 мин. | 2,5 кВ | ||
| Электрическая жизнь | 2000 циклов | ||
| Механическая жизнь | 4000 циклов | ||
| Индикатор положения контакта | Да | ||
| Степень защиты | IP20 | ||
| Температура окружающей среды |
-25℃ to 40℃, макс. влажность 95% |
||
| Тип клеммного соединения |
Кабель/Шина штыревого типа/Шина U-типа |
||
|
Макс. размер клеммы для кабеля |
25мм 2 | ||
|
Макс. момент затяжки |
2.5Нм | ||
|
Установка |
Монтаж на 35-мм DIN-рейку |
||
| Связь |
Сверху и снизу |
||


| Тип переменного тока | |||||
| Отключающая способность | Поляки | Номинальный ток (А) | Чувствительность | ||
| 6KA | 30mA | 100mA | 300mA | ||
| 1P+N | 25A | EKL1-80-1N2530 | EKL1-80-1N25100 | EKL1-80-1N25300 | |
| 40A | EKL1-80-1N4030 | EKL1-80-1N40100 | EKL1-80-1N40300 | ||
| 63A | EKL1-80-1N6330 | EKL1-80-1N63100 | EKL1-80-1N63300 | ||
| 80A | EKL1-80-1N8030 | EKL1-80-1N80100 | EKL1-80-1N80300 | ||
| 3P+N | 25A | EKL1-80-3N2530 | EKL1-80-3N25100 | EKL1-80-1N25300 | |
| 40A | EKL1-80-3N4030 | EKL1-80-3N40100 | EKL1-80-1N40300 | ||
| 63A | EKL1-80-3N6330 | EKL1-80-3N63100 | EKL1-80-1N63300 | ||
| 80A | EKL1-80-3N8030 | EKL1-80-3N80100 | EKL1-80-1N80300 | ||
| 10KA | 1P+N | 25A | EKL1-80H-1N2530 | EKL1-80H-1N25100 | EKL1-80H-1N25300 |
| 40A | EKL1-80H-1N4030 | EKL1-80H-1N40100 | EKL1-80H-1N40300 | ||
| 63A | EKL1-80H-1N6330 | EKL1-80H-1N63100 | EKL1-80H-1N63300 | ||
| 80A | EKL1-80H-1N8030 | EKL1-80H-1N80100 | EKL1-80H-1N80300 | ||
| 3P+N | 25A | EKL1-80H-3N2530 | EKL1-80H-3N25100 | EKL1-80H-3N25300 | |
| 40A | EKL1-80H-3N4030 | EKL1-80H-3N40100 | EKL1-80H-3N40300 | ||
| 63A | EKL1-80H-3N6330 | EKL1-80H-3N63100 | EKL1-80H-3N63300 | ||
| 80A | EKL1-80H-3N8030 | EKL1-80H-3N80100 | EKL1-80H-3N80300 | ||
| Тип А | |||||
| Отключающая способность | Поляки | Номинальный ток (А) | Чувствительность | ||
| 30mA | 100mA | 300mA | |||
| 6KA | 1P+N | 25A | EKL1-80-1N2530A | EKL1-80-1N25100A | EKL1-80-1N25300A |
| 40A | EKL1-80-1N4030A | EKL1-80-1N40100A | EKL1-80-1N40300A | ||
| 63A | EKL1-80-1N6330A | EKL1-80-1N63100A | EKL1-80-1N63300A | ||
| 80A | EKL1-80-1N8030A | EKL1-80-1N80100A | EKL1-80-1N80300A | ||
| 3P+N | 25A | EKL1-80-3N2530A | EKL1-80-3N25100A | EKL1-80-3N25300A | |
| 40A | EKL1-80-3N4030A | EKL1-80-3N40100A | EKL1-80-3N40300A | ||
| 63A | EKL1-80-3N6330A | EKL1-80-3N63100A | EKL1-80-3N63300A | ||
| 80A | EKL1-80-3N8030A | EKL1-80-3N80100A | EKL1-80-3N80300A | ||
| 10KA | 1P+N | 25A | EKL1-80H-1N2530A | EKL1-80H-1N25100A | EKL1-80H-1N25300A |
| 40A | EKL1-80H-1N4030A | EKL1-80H-1N40100A | EKL1-80H-1N40300A | ||
| 63A | EKL1-80H-1N6330A | EKL1-80H-1N63100A | EKL1-80H-1N63300A | ||
| 80A | EKL1-80H-1N8030A | EKL1-80H-1N80100A | EKL1-80H-1N80300A | ||
| 3P+N | 25A | EKL1-80H-3N2530A | EKL1-80H-3N25100A | EKL1-80H-3N25300A | |
| 40A | EKL1-80H-3N4030A | EKL1-80H-3N40100A | EKL1-80H-3N40300A | ||
| 63A | EKL1-80H-3N6330A | EKL1-80H-3N63100A | EKL1-80H-3N63300A | ||
| 80A | EKL1-80H-3N8030A | EKL1-80H-3N80100A | EKL1-80H-3N80300A | ||
