Реле времени представляет собой блок автоматического управления, который может быть объединен с различным другим электрическим оборудованием для реализации автоматического управления работающей цепью. По истечении заданного времени выходной контакт будет замкнут или разомкнут, так что конечное электрическое оборудование может автоматически запуститься или остановиться.
Эта серия реле времени имеет такие преимущества, как широкий диапазон рабочего напряжения, понятные инструкции по эксплуатации, небольшой объем, единообразные размеры, простота установки и т. д.
Применение: промышленное оборудование, освещение, производство, системы отопления, вентиляции и кондиционирования воздуха, пищевая промышленность и сельское хозяйство.
Технический паспорт 1 | ||||
ЭКР8-521Т | ЭКР8-522Т | ЭКР8-541Т | ЭКР8-542Т | |
Выходные характеристики | Многопериодный SPDT выход | Многопериодный выход DPDT | Многопериодная циркуляция, SPDT | Многопериодная циркуляция, DPDT |
Номинальный ток | 5А/16А | |||
Рабочее напряжение | Одинарное напряжение: AC12V, AC24V, AC110V, AC220V, DC12V, DC24V Широкий диапазон напряжений: AC/DC12-240 В | |||
Временной диапазон | 0,1С~10Д | |||
Функции | SPDT | ДПДТ | SPDT | ДПДТ |
Технический паспорт 2 | |||||
ЭКР8-5110 | ЭКР8-5111 | ЭКР8-5120 | ЭКР8-5121 | ЭКР8-5130 | |
Выходные характеристики | SPDT (задержка включения) | SPDT (задержка выключения) | DPDT (с задержкой) | DPDT (задержка выключения) | Один Групповой Инст, Одна Групповая Задержка |
Номинальный ток | 5А/16А | ||||
Рабочее напряжение | Одинарное напряжение: AC12V, AC24V, AC110V, AC220V, DC12V, DC24V Широкий диапазон напряжений: AC/DC12-240 В | ||||
Временной диапазон | 1С,3С,6С,10С,30С,60С,3М,6М,10М,30М,60М,3Н,6Н,10Н,30Н | ||||
Функции | SPDT | ДПДТ | ДПДТ | ДПДТ | ДПДТ |
Технический паспорт 3 | |||
ЭКР8-521★ | ЭКР8-522★ | ЭКР8-532★ | |
Выходные характеристики | Многопериодная задержка времени, SPDT | Многопериодная задержка времени, DPDT | Многопериодный, с задержкой по времени, режим A/B можно переключать |
Номинальный ток | 5А/16А | ||
Рабочее напряжение | Одинарное напряжение: AC12V, AC24V, AC110V, AC220V, DC12V, DC24V Широкий диапазон напряжений: AC/DC12-240 В | ||
Временной диапазон | ★: А, Б, В, Г, Д А: 1С/10С/1М/10М, Б: 3С/30С/3М/30М, В: 6С/60С/6М/60М Д:1М/10М/1Ч/10Ч, Э:3М/30М/3Ч/30Ч | ||
Функции | SPDT | ДПДТ | Режим А: DPDT, Режим B: одна группа инст., одна группа задержек, DPDT |
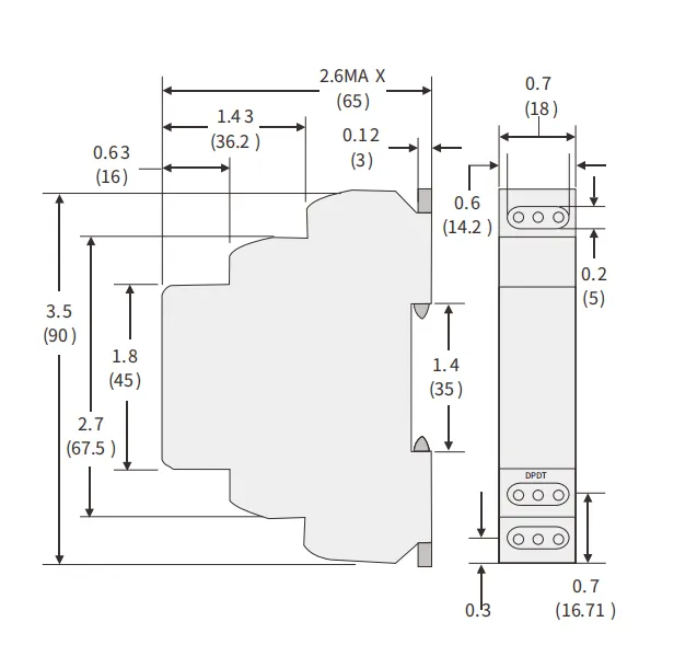
Измерение | |
![]() | |
Схема электропроводки | |
| ЭКР8-521Т/522Т | |
![]() | |
| ЭКР8-541Т/542Т | |
![]() | |
| ЭКР8-5110/5111 | ЭКР8-5120/5121 |
![]() | ![]() |
| ЭКР8-5130 | ЭКР8-532x |
![]() | ![]() |
| ЭКР8-521x/522x | |
![]() | |
