
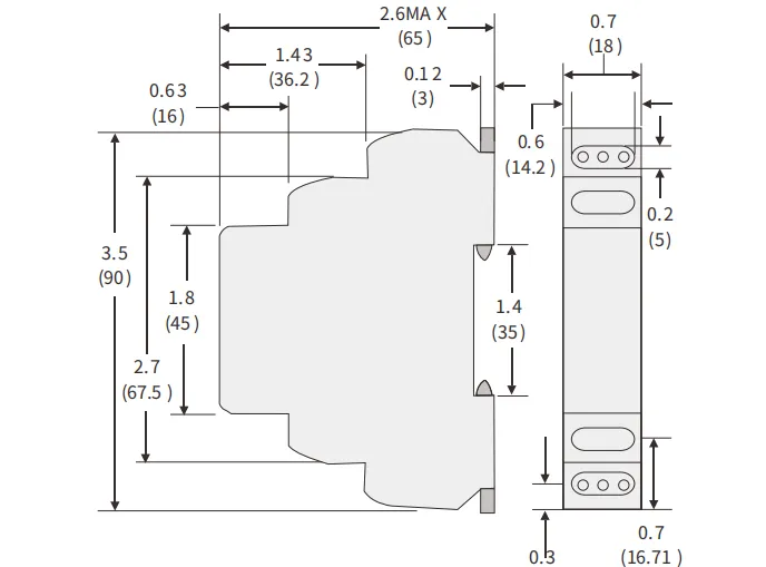
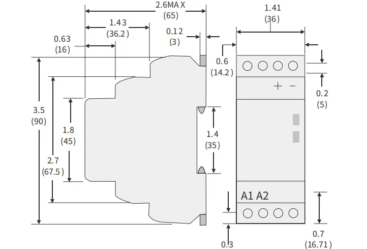
Серия EKR8-4 — это экономичный и сверхтонкий блок питания рельсового типа, соответствующий немецким промышленным стандартам. Подходит для установки на 35/7.5 или 35/15 рейки. Для экономии места корпус спроектирован шириной 18 мм (1SU) и 36 мм (2SU). Вся серия использует полный диапазон входного переменного тока от 85 В до 264 В переменного тока (также применимо 277 В переменного тока), и все соответствуют стандарту EN61000-3-2 по спецификациям гармонического тока, установленным Европейским Союзом.
Серия EKR8-4 разработана с пластиковым корпусом, который может эффективно защитить пользователей от электрических опасностей. Эффективность работы достигает 87%. При циркуляции воздуха вся серия может работать при температуре окружающей среды от -30 до 70 градусов. Она имеет полные функции защиты и соответствует соответствующим стандартам сертификации для домашней автоматизации и промышленного оборудования управления (IEC62368-1, EN61558-2-16), что делает серию EKR8 высококонкурентным решением для домашнего и промышленного применения.
1. Если не указано иное, все параметры спецификации должны измеряться при входном напряжении 230 В переменного тока, номинальной нагрузке и температуре окружающей среды 25 градусов.
2. Метод измерения пульсации и шума: используется витая пара сечением 12 мм2, клеммы соединены параллельно с конденсаторами емкостью 0,1 мкФ и 47 мкФ, измерение проводится в полосе пропускания 20 МГц.
3. Точность: включая погрешность настройки, скорость линейной регулировки и скорость регулировки нагрузки.
EKR8-4111805 | EKR8-4111812 | EKR8-4111815 | EKR8-4111824 | EKR8-4111848 | ||
| Выход | Напряжение постоянного тока | 5В | 12В | 15В | 24В | 48В |
Номинальный ток | 2.4А | 1.25А | 1А | 0,63А | 0,32А | |
Номинальная мощность | 12 Вт | 15 Вт | 15 Вт | 15.2 Вт | 15.4 Вт | |
Пульсация и шум (макс.) | 80мВпик-пик | 120мВпик-пик | 120мВпик-пик | 150мВпик-пик | 240мВпик-пик | |
Диапазон регулировки напряжения | 4,5-5,5 В | 10,8-13,8 В | 13,5-18В | 21,6-29В | 43,2-55,2В | |
Точность напряжения | ⼠2,0% | ⼠1,0% | ⼠1,0% | ⼠1,0% | ⼠1,0% | |
Скорость линейной корректировки | ⼠1,0% | ⼠1,0% | ⼠1,0% | ⼠1,0% | ⼠1,0% | |
Скорость регулировки нагрузки | ⼠1,0% | ⼠1,0% | ⼠1,0% | ⼠1,0% | ⼠1,0% | |
Время старта и нарастания | 2000 мс, 80 мс/230 В переменного тока, 2000 мс, 80 мс/115 В переменного тока (при полной нагрузке) | |||||
Время удержания (типичное) | 300 мс/230 В переменного тока, 12 мс/115 В переменного тока (при полной нагрузке) | |||||
Вход | Диапазон напряжения | 85-264 В переменного тока (доступно 277 В переменного тока), 120-370 В постоянного тока (доступно 390 В постоянного тока) | ||||
Диапазон частот | 47-63Гц | |||||
Эффективность (тип.) | 80% | 85% | 85,5% | 86% | 87% | |
Переменный ток (тип.) | 0,5 А/115 В переменного тока, 0,25 А/230 В переменного тока | |||||
Импульсный ток (тип.) | Холодный старт: 25A/115VAC, 45A/230VAC | |||||
Защита | Перегрузка | 110-145% от номинальной выходной мощности | ||||
Если выходное напряжение составляет менее 50%, устройство переходит в режим сбоя и может автоматически восстановиться после устранения ненормальной нагрузки. Когда выходное напряжение составляет 50–100 %, устройство находится в режиме постоянного тока и может автоматически восстанавливаться после устранения ненормальной нагрузки. | ||||||
Перенапряжение | 5,75-6,75 В | 14,2-16,2В | 18,8 - 22,5 В | 30 - 36 В | 56,5-64,8 В | |
Режим защиты: Отключить выход, зажать стабилитроном | ||||||
EKR8-4113605 | EKR8-4113612 | EKR8-4113615 | EKR8-4113624 | EKR8-4113648 | ||
| Выход | Напряжение постоянного тока | 5В | 12В | 15В | 24В | 48В |
Номинальный ток | 3А | 2А | 2А | 1,5А | 0,75А | |
Номинальная мощность | 15 Вт | 24 Вт | 30 Вт | 36 Вт | 36 Вт | |
Пульсация и шум (макс.) | 80мВпик-пик | 120мВпик-пик | 120мВпик-пик | 150мВпик-пик | 240мВпик-пик | |
Диапазон регулировки напряжения | 4,5-5,5 В | 10,8-13,8 В | 13,5-18В | 21,6-29В | 43,2-55,2В | |
Точность напряжения | ⼠2,0% | ⼠1,0% | ⼠1,0% | ⼠1,0% | ⼠1,0% | |
Скорость линейной корректировки | ⼠1,0% | ⼠1,0% | ⼠1,0% | ⼠1,0% | ⼠1,0% | |
Скорость регулировки нагрузки | ⼠1,0% | ⼠1,0% | ⼠1,0% | ⼠1,0% | ⼠1,0% | |
Время старта и нарастания | 2000 мс, 80 мс/230 В переменного тока, 2000 мс, 80 мс/115 В переменного тока (при полной нагрузке) | |||||
Время удержания (типичное) | 300 мс/230 В переменного тока, 12 мс/115 В переменного тока (при полной нагрузке) | |||||
Вход | Диапазон напряжения | 85-264 В переменного тока (доступно 277 В переменного тока), 120-370 В постоянного тока (доступно 390 В постоянного тока) | ||||
Диапазон частот | 47-63Гц | |||||
Эффективность (тип.) | 82% | 88% | 89% | 89% | 90% | |
Переменный ток (тип.) | 0,5 А/115 В переменного тока, 0,25 А/230 В переменного тока | |||||
Импульсный ток (тип.) | Холодный старт: 25A/115VAC, 45A/230VAC | |||||
Защита | Перегрузка | 110-145% от номинальной выходной мощности | ||||
Если выходное напряжение составляет менее 50%, устройство переходит в режим сбоя и может автоматически восстановиться после устранения ненормальной нагрузки. Когда выходное напряжение составляет 50–100 %, устройство находится в режиме постоянного тока и может автоматически восстанавливаться после устранения ненормальной нагрузки. | ||||||
Перенапряжение | 5,75-7,5 В | 15-18В | 18,8-22,5В | 30-36В | 56,5-64,8 В | |
Режим защиты: Отключить выход, зажать стабилитроном | ||||||
Измерение | Схема подключения |
![]() | ЭКР8-4111805/4111812 |
![]() | |
| EKR84111815/4111824 | |
![]() | |
| ЭКР8-4111848 | |
![]() | |
| ЭКР8-4113605/4113612 | |
![]() | ![]() |
| ЭКР8-4113615/4113624 | |
![]() | |
| ЭКР8-41148W3 | |
![]() |
