● Стандарт: IEC/EN 61643-31
● Номинальный уровень импульса: Iimp=6,25 кА (10/350 мкс), Imax=40 кА (8/20 мкс)
● Категория IEC/EN: Класс I+II / Тип 1+2
● Макс. постоянное рабочее напряжение (Ucpv): 500, 1000, 1500 В
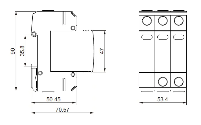
● Корпус: съемная конструкция
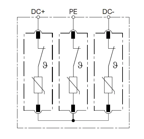
Серия устройств защиты от перенапряжения постоянного тока EKU5 T1+T2 предназначена для использования в фотоэлектрических (PV) приложениях до 1500 В. Эти устройства защиты от перенапряжения (SPD) соответствуют классификации PV T1+T2, изложенной в стандарте IEC 61643-31. Окно индикации на передней панели помогает пользователям узнать состояние устройства, а порт удаленного сигнала может обеспечить удаленную индикацию и сигнализацию. Кроме того, конструкция подключаемого модуля облегчает последующее обслуживание и замену.
| Количество полюсов | 3П | |||
| Место использования | Струнный ящик, Инвертор | |||
| Режим защиты | (DC+)-PE,(DC-)-PE,(DC+)-(DC-) | |||
| Защитные элементы | Высокоэнергетический MOV | |||
| Максимальное непрерывное рабочее напряжение постоянного тока | UCPV | 500В | 1000В | 1500В |
| Номинальный ток разряда (8/20 мкс) | В | 20кА | ||
| Импульсный ток разряда (10/350 мкс) | Имп | 6,25 кА | ||
| Полный ток разряда (10/350 мкс) | IВсего | 12,5 кА | ||
| Полный ток разряда (8/20 мкс) | Всего | 40кА | ||
| Максимальный ток разряда (8/20 мкс) | Имакс | 40кА | ||
| Уровень защиты по напряжению (DC+)-PE,(DC-)-PE | Вверх | 2кВ | 4.0кВ | 5.2кВ |
| Уровень защиты по напряжению (DC+)-(DC-) | Вверх | / | 4.0кВ | 5.2кВ |
| Время отклика | тА | ≤25нс | ||
| Диапазон рабочих температур | вт | -40℃ до +80℃ | ||
| Индикация рабочего состояния/неисправности | Зеленый/Красный | |||
| Площадь поперечного сечения (мин.)/(макс.) | 4мм²/35мм² | |||
| Монтаж | DIN-рейка 35 мм, EN 60715 | |||
| Материал корпуса | Термопластик UL94-V0 | |||
| Степень защиты | IP20 (встроенный) | |||


|
Количество поляков
|
Макс. непрерывное рабочее напряжение постоянного тока | ||
|
500V
|
1000V | 1500V | |
| 3Модуль |
EKU5-T1+T2-40PV-3M500
|
EKU5-T1+T2-40PV-3M1000 | EKU5-T1+T2-40PV-3M1500 |
| С дистанционной сигнализацией | |||
| 3Модуль |
EKU5-T1+T2-40PV-3M500S
|
EKU5-T1+T2-40PV-3M1000S | EKU5-T1+T2-40PV-3M1500S |
