● Режим управления: управление коммутационным входом или управление RS485 (MODBUS-RTU)
● Номинальное напряжение питания: DC24V±10% или AC230V±10%
● Температура окружающей среды: от -20℃ до +55℃
● Количество автоматических повторных включений: 3
● Интервал автоматического повторного включения: 10 с - 60 с - 300 с
● Способ установки: монтаж на 35-мм DIN-рейку
EKR5 — это модуль дистанционного управления, который поддерживает методы коммутации и управления RS485. Этот модуль работает с RCCB (другие продукты, такие как MCB и RCBO, находятся в разработке).
В то же время модуль поддерживает функцию автоматического повторного включения (3 раза). Когда соответствующее защитное устройство на линии срабатывает в неподходящее время (ручное размыкание, отключение по короткому замыканию, отключение по утечке, отключение по перегрузке и т. д.), он автоматически перезапускается для повышения надежности цепи электропитания.
Модуль EKR5 может быть сопряжен с RCCB. При случайном срабатывании защитного устройства оно автоматически включится снова без необходимости ручного вмешательства, что снижает затраты на ручное обслуживание и позволяет своевременно устранять неполадки для повышения эффективности.
Расширенные диапазоны напряжений в двух версиях (24 В постоянного тока и 230 В переменного тока)
Имеет встроенную функцию 3-кратного повторного включения.
Могут быть добавлены дополнительные аксессуары для сигнализации.
Рабочее состояние отображается светодиодом.
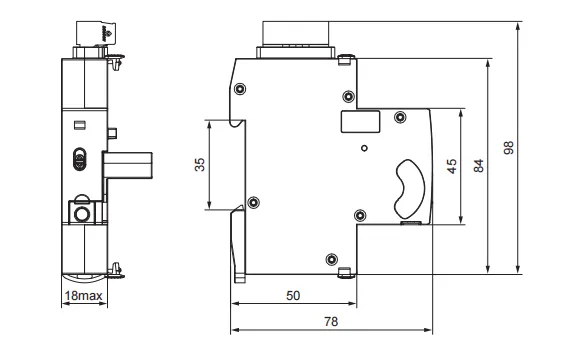
Рабочий механизм имеет ширину всего 18 мм.
Для фиксации автоматического выключателя в разомкнутом положении можно использовать навесной замок, что гарантирует безопасную эксплуатацию на объекте.
Улучшите свою электрическую систему с помощью устройства дистанционного управления EKR5, обеспечивающего лучший контроль, оптимизацию энергопотребления и чувство безопасности.
Модель | EKR5-AC-C(R) | EKR5-DC-C(R) | EKR5-AC-S(R) | EKR5-DC-S(R) |
Режим управления | Управление входом переключения + автоматическое повторное включение (опционально) | Управление RS485 (MODBUS-RTU) + автоматическое повторное включение (опционально) | ||
Силовые клеммы | А1-А2 | |||
Номинальное напряжение питания | 230 В переменного тока ±10% | DC24В±10% | 230 В переменного тока ±10% | DC24В±10% |
Потребляемая мощность | Макс. 1 ВА (режим ожидания), Макс. 20 ВА (рабочий режим) | |||
Диапазон частот | 50~60 Гц | |||
Индикация поставки | Красные и зеленые светодиоды | |||
Время действия | ≤ 1с | |||
Время автоматического повторного включения (опционально) | 3 | |||
Интервал автоматического повторного включения (опционально) | 10С - 60С - 300С | |||
Сбросить время закрытия (необязательно) | Отсутствие отключения или ручного сброса в течение 15 минут после успешного закрытия | |||
Электрическая жизнь | 4000 циклов | |||
| Механическая жизнь | 10000 циклов | |||
Температура окружающей среды | -20℃ до+55℃ | |||
Температура хранения | -35℃ до +75℃ | |||
Метод установки | Монтаж на 35-мм DIN-рейку | |||
Степень защиты | IP20 | |||
Категория перенапряжения | III | |||
Степень загрязнения | 2 | |||
Макс. размер клеммы для кабеля | 2,5 мм² | |||
Размеры | 84×18×78мм | |||
Соответствующие продукты | ЭКЛ6-100, ЭКЛ6-100Б, ЭКЛ6-63ЭВ | |||
| Модель RCCB | ЭКЛ6-100(Н) | EJL6-100B | ЭКЛ6-63ЕВ |
Стандарт | МЭК/EN61008-1 | МЭК61008-1, МЭК62423 | МЭК61008-1, МЭК62955 |
Тип поездки | Электромагнитный | ||
Тип защиты (утечка тока) | AC, A, AG / A-SI, AS | Б | А+постоянный ток 6 мА |
Количество полюсов | 2P(1P+N), 4P(3P+N), N-полюс слева | ||
Номинальное напряжение (Ue) | 1P+N: 230/240В~, 3P+N: 400/415В~ | ||
Номинальные токи (In) | 16,25,32,40,63,80,100А | 16,25,32,40,63А | |
Номинальные токи чувствительности (IΔn) | 10,30,100,300мА (10 мА только для In=16-25A) | 30,100,300мА | 30 мА, порог срабатывания постоянного тока (I Δdc)=6мА |
Номинальная отключающая способность | 6000А, 10000А | 10,000А | 10,000А |
Электрическая жизнь | 2000 циклов | ||
Механическая жизнь | 4000 циклов | ||
Температура окружающей среды | -25℃ до +40℃ | -25℃ до +55℃ | |
Индикатор замыкания на землю | Да | ||
Степень защиты | IP20 | ||
Тип клеммного соединения | Кабель/Шина штыревого типа/Шина вилочного типа | ||
Макс. размер клеммы для кабеля | 35мм2 | ||
Макс.момент затяжки | 2.5Нм | ||
Установка | Монтаж на DIN-рейку 35 мм | ||
Связь | Сверху или снизу | ||




