1.Держатели предохранителей — это устройства для размещения, защиты и монтажа предохранителей. Держатели предохранителей бывают двух основных типов: открытые и полностью закрытые. Открытые типы держателей предохранителей — это зажимы предохранителей, блоки предохранителей, гнезда и вставные колпачки. Полностью закрытый вариант может использовать держатель предохранителя, который вставляется в держатель или иметь другие средства для полного закрытия предохранителя.
2.Варианты монтажа для держателей предохранителей включают блок предохранителей, зажим предохранителя, монтаж на панели, монтаж на ПК, защелкивающийся монтаж и монтаж в линию. Важные параметры окружающей среды, которые следует учитывать при выборе держателей предохранителей, включают рабочую температуру.
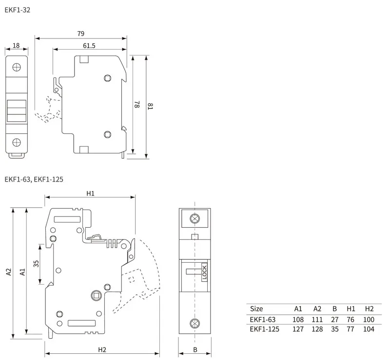
3. Блоки и держатели предохранителей переменного тока EKF1 обеспечивают защиту от коротких замыканий и перегрузок.
Доступны варианты с индикацией и без индикации.
Соответствие стандартам: IEC EN 60269-2.
Компактная конструкция обеспечивает максимальную гибкость.
Возможность монтажа на DIN-рейку 35 мм.
Простая установка и снятие предохранителя без необходимости использования дополнительных съемников или инструментов.
| Номинальный ток In | 32А,63А,125А | |
| Модель № | Общий тип | ЭКФ1-32, ЭКФ1-63, ЭКФ1-125 |
| С типом индикатора | ЭКФ1-32Л, ЭКФ1-63Л, ЭКФ1-125Л | |
| Поляки | 1П,2П,3П,4П,1П+Н,3П+Н | |
| Категория использования | АС-22А | |
| Номинальное напряжение Ue | 240/415В | |
| Напряжение изоляции Ui | 500В | |
| Номинальная частота | 50/60Гц | |
| Номинальное импульсное выдерживаемое напряжение (1,5/50) Uimp | 4000 В | |
| Электрическая жизнь | 1500циклов | |
| Механическая жизнь | 8,500циклов | |
| Рабочая частота | 120/ч | |
| Степень защиты | IP20 | |
| Момент затяжки | ЭКФ1-32 | 1,5 Нм 14 дюйм-фунтов |
| ЭКФ1-63 | 2,5 Нм 22 дюйм-фунта | |
| ЭКФ1-125 | 3,5 Нм 30 дюйм-фунтов | |
| Размер клеммы для кабеля | ЭКФ1-32 | 16мм 2 18-5AWG |
| ЭКФ1-63 | 25 мм 2 18-3AWG | |
| ЭКФ1-125 | 50мм 2 18-2AWG | |
| Температура окружающей среды (дневная средняя ≤35℃) | -5℃~+40℃ | |
| Температура хранения | -25℃~+70℃ | |
| Монтаж | На DIN-рейке EN60715 (35 мм) с помощью быстрозажимного устройства | |


|
Текущий рейтинг |
Номер ссылки |
Технические характеристики |
Размер плавкой вставки |
|
32A |
EKF1-32-1 |
Модульное основание предохранителя 32A Рама 1P Ш=18 мм |
10x38mm |
|
EKF1-32N-1 |
Модульное основание предохранителя 32A Рама 1P+N Ш=18 мм |
||
|
EKF1-32-2 |
Модульное основание предохранителя 32A Рама 2P Ш=36 мм |
||
|
EKF1-32-3 |
Модульное основание предохранителя 32A Рама 3P Ш=54 мм |
||
|
EKF1-32-4 |
Модульное основание предохранителя 32A Рама 4P Ш=72 мм |
||
|
EKF1-32L-1 |
Модульное основание предохранителя с лампой 32A Рама 1P Ш=18 мм |
||
|
EKF1-32L-2 |
Модульное основание предохранителя с лампой 32A Рама 2P Ш=36 мм |
||
|
EKF1-32L-3 |
Модульное основание предохранителя с лампой 32A Рама 3P Ш=54 мм |
||
|
EKF1-32L-4 |
Модульное основание предохранителя с лампой 32A Рама 4P Ш=72 мм |
||
|
63A |
EKF1-63-1 |
Модульный предохранитель 63A Рама 1P W=27 мм |
14x51mm |
|
EKF1-63-2 |
Модульный предохранитель 63A Рама 2P W=54 мм |
||
|
EKF1-63-3 |
Модульный предохранитель 63A Рама 3P W=81 мм |
||
|
EKF1-63-4 |
Модульный предохранитель 63A Рама 4P W=108 мм |
||
|
EKF1-63L-1 |
Модульный предохранитель с лампой 63A Рама 1P W=27 мм |
||
|
EKF1-63L-2 |
Модульный предохранитель с лампой 63A Рама 2P W=54 мм |
||
|
EKF1-63L-3 |
Модульный предохранитель с лампой 63A Рама 3P W=81 мм |
||
|
EKF1-63L-4 |
Модульный предохранитель с лампой 63A Рама 4P W=108 мм |
||
|
125A |
EKF1-125-1 |
Модульный предохранитель 125A Рама 1P W=35 мм |
22x58mm |
|
EKF1-125-2 |
Модульный предохранитель 125A Рама 2P W=70 мм |
||
|
EKF1-125-3 |
Модульный предохранитель 125A Рама 3P W=105 мм |
||
|
EKF1-125-4 |
Модульный предохранитель 125A Рама 4P W=140 мм |
||
|
EKF1-125L-1 |
Модульный предохранитель с лампой 125A Рама 1P W=35 мм |
||
|
EKF1-125L-2 |
Модульный предохранитель с лампой 125A Рама 2P W=70 мм |
||
|
EKF1-125L-3 |
Модульный предохранитель с лампой 125A Рама 3P W=105 мм |
||
|
EKF1-125L-4 |
Модульный предохранитель с лампой 125A Рама 4P W=140 мм |
