
1.Что такое цифровой вольтметр?Цифровой вольтметр, сокращенно DVM, — это прибор, используемый для измерения разности электрических потенциалов между двумя точками в цепи. Напряжение может быть переменным током (AC) или постоянным током (DC). Он измеряет входное напряжение после преобразования аналогового напряжения в цифровое напряжение и отображает его в числовом формате с помощью преобразователя. Использование цифрового вольтметра увеличило скорость и точность, с которыми отмечаются показания.
1. Цифровой вольтметр используется для определения фактического напряжения различных компонентов.
2. Цифровой вольтметр широко используется для проверки наличия питания в цепи, например, в сетевой розетке.
3.Зная напряжение в цепи, можно рассчитать ток.
1. Вам не нужно вручную подсчитывать показания, чтобы получить значение напряжения, сопротивления или силы тока, в отличие от аналоговых вольтметров.
2.Цифровые вольтметры обеспечивают точные и компьютерные показания на экране, что исключает ошибки, которые могут возникнуть в случае считывания показаний человеком.
3. Они обеспечивают точные и быстрые показания по сравнению с показаниями, полученными от аналогового вольтметра.
4.Цифровые вольтметры не требуют от вас выполнения расчетов и более стабильны, надежны и достоверны.
5.Цифровые вольтметры обеспечивают точные результаты и не зависят от компетентности считывателей, как в случае считывания показаний аналогового вольтметра.
6.Цифровые вольтметры экономичны и имеют меньшие размеры, что делает их простыми в обращении и использовании.
7.Цифровые вольтметры имеют функцию измерения как переменного, так и постоянного напряжения.
8. В некоторых современных цифровых вольтметрах имеются микроконтроллеры, с помощью которых можно сохранять показания для дальнейшей обработки.
Электрические характеристики | |
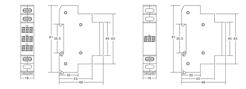
| Тип | EKMV1: Однофазный 1 светодиодный цифровой дисплей |
| EKMV3: трехфазный 3-светодиодный цифровой дисплей | |
| Клемма для проводки | Однофазный L+N |
| Три фазы 3L+3N | |
| Цифровой цвет | Красный |
| Диапазон измерения напряжения | Переменный ток 80В~500В |
| Номинальная частота | 50/60Гц |
| Рабочий ток | ≤20мА |
| Точность измерения | 1 |
| Скорость измерения | >200 мс/время |
| Степень защиты | IP20 |
| Электрическая жизнь | ≥15000часов |
Условия труда | |
| Температура окружающей среды (дневная средняя ≤35℃) | -5℃~+40℃ |
| Температура хранения | -25℃~+70℃ |
| Относительная влажность воздуха | 10-80% (без конденсации) |
| Рабочее давление | 80~160 кПа |
| Солнечность | нет солнечности |
Установка | |
| Клемма для проводки | 1,5 мм² |
| Монтаж | На DIN-рейке EN60715 (35 мм) с помощью быстрозажимного устройства |

