Контактор нагрузки конденсатора для переключения 3-фазных, одно- или многоступенчатых конденсаторных батарей в приложениях коррекции коэффициента мощности. Он подавляет высокие пусковые токи переключения силовых конденсаторов. Обычные контакторы легко выходят из строя при многократном переключении конденсаторов. Таким образом, контакторы нагрузки конденсатора являются лучшим выбором для переключения конденсаторов, поскольку эти типы контакторов ограничивают пусковой ток и имеют тенденцию увеличивать срок службы конденсатора.
| Электрическая ценность | переменный ток 50/60 Гц, до 690 В; |
| Температура окружающей среды | -5℃~+40℃; среднее значение за 24 часа не должно превышать +35℃ |
| Высота | ≤2000м; |
| Атмосферные условия | на месте монтажа относительная влажность не должна превышать 50% при максимальной температуре +40℃, более высокая относительная влажность допускается при более низкой температуре. Например, относительная влажность может составлять 90% при +20℃, следует принять специальные меры для предотвращения появления росы; |
| Степень загрязнения | 3 |
| Категория установки | Ⅲ |
| Условия установки | наклон между плоскостью установки и вертикальной плоскостью находится в пределах ±5° |
| Удар и сотрясение | изделия следует размещать в местах, где не будет явных ударов и тряски |



| Стандарт | МЭК/EN60947-4-1 | |||||||
| Модель № | ЕКЦК-12 | ЕКЦК-16 | ЕКЦК-20 | ЕКЦК-25 | ЕКЦК-33 | ЕКЦК-40 | ЕКЦК-60 | |
| Размер контактора | ЭКЦ1-18 | ЭКЦ1-25 | ЭКЦ1-32 | ЭКЦ1-40 | ЭКЦ1-50 | ЭКЦ1-65 | ЭКЦ1-95 | |
| Номинальный условный ток нагрева | Ит(А) | 32 | 40 | 50 | 60 | 80 | 80 | 125 |
| Номинальный рабочий ток | 415В/Ie (А) | 18 | 25 | 32 | 40 | 50 | 65 | 95 |
| Управляемый конденсатором | 220В/240В (Квар) | 6 | 8 | 10 | 12.5 | 16.5 | 20 | 30 |
| 400В/440В (Квар) | 12 | 16 | 20 | 25 | 33 | 40 | 60 | |
| Номинальное напряжение изоляции | Ui(В) | 690 | 690 | 690 | 690 | 690 | 690 | 690 |
| Номинальное рабочее напряжение | Уэ(В) | 400 | 400 | 400 | 400 | 400 | 400 | 400 |
| Электрический ресурс (x10 3 ) | Времена | 120 | 120 | 120 | 100 | 100 | 100 | 100 |
| Механический ресурс (x10 3 ) | Времена | 3000 | 3000 | 3000 | 3000 | 3000 | 3000 | 3000 |
| Ограниченная мощность импульса | х Т.е. | 15 | ||||||
| Вспомогательный контакт | Ith=10А | 1НО+1НЗ | 1НО+2НЗ | |||||
| Контроль Емкость | AC-15 360 ВА; DC-13 33 Вт | |||||||
| ПАРАМЕТРЫ КАТУШКИ | ||||||||
| Мощность катушки (ВА) | Запускать | 76 | 110 | 110 | 230 | 230 | 230 | 230 |
| Холдинг | 10 | 11 | 11 | 32 | 32 | 32 | 32 | |
| Номинальная мощность управления | США(В) | 24,36,48,110,220,380 | ||||||
| Время вытягивания | РС | 12~22 | 15~24 | 15~24 | 20~26 | 20~26 | 20~26 | 20~35 |
| Время выпуска | РС | 4~12 | 5~19 | 5~19 | 8~12 | 8~12 | 8~12 | 6~20 |
| Диапазон действия | Подобрать | (85%-110%) США | ||||||
| Выбывать | (20%-75%) США | |||||||

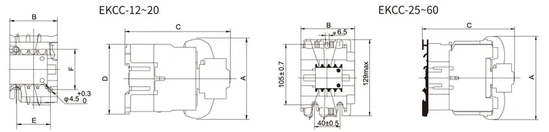
| Модель | Макс | Б Макс | С Макс | D Макс | Э | Ф | Примечание |
| ЕКЦК-12 | 80 | 47 | 124 | 76 | 34/35 | 50/60 | крепится на 35-мм DIN-рейку |
| ЕКЦК-16 | 90 | 57 | 132 | 86 | 40 | 48 | |
| ЕКЦК-20 | 90 | 57 | 132 | 86 | 40 | 48 | |
| ЕКЦК-25 | 132 | 77 | 150 | - | - | - | Крепится не только винтами, но и может быть закреплен на 35-мм и 75-мм DIN-рейке. |
| ЕКЦК-33 | 132 | 77 | 150 | - | - | - | |
| ЕКЦК-40 | 132 | 77 | 150 | - | - | - | |
| ЕКЦК-60 | 135 | 87 | 162 | - | - | - |
Клеммы подключения защищены изоляционным кожухом, что обеспечивает надежность и безопасность при монтаже и эксплуатации;
Для EKCC-12~20 доступны винты для установки, а также DIN-рейка;
Для EKCC-25~60 доступны стандартные рейки шириной 35 мм или 75 мм.
| EKCC-1211-220 | Capacitor Contactor 12Kvar 1NO+1NC Coil 220VAC with EKC1-18 |
| EKCC-1611-220 | Capacitor Contactor 16Kvar 1NO+1NC Coil 220VAC with EKC1-25 |
| EKCC-2011-220 | Capacitor Contactor 20Kvar 1NO+1NC Coil 220VAC with EKC1-32 |
| EKCC-2512-220 | Capacitor Contactor 25Kvar 1NO+2NC Coil 220VAC with EKC1-40 |
| EKCC-3312-220 | Capacitor Contactor 33Kvar 1NO+2NC Coil 220VAC with EKC1-50 |
| EKCC-4012-220 | Capacitor Contactor 40Kvar 1NO+2NC Coil 220VAC with EKC1-65 |
| EKCC-6012-220 | Capacitor Contactor 60Kvar 1NO+2NC Coil 220VAC with EKC1-95 |
| EKCC-1211-230 | Capacitor Contactor 12Kvar 1NO+1NC Coil 230VAC with EKC1-18 |
| EKCC-1611-230 | Capacitor Contactor 16Kvar 1NO+1NC Coil 230VAC with EKC1-25 |
| EKCC-2011-230 | Capacitor Contactor 20Kvar 1NO+1NC Coil 230VAC with EKC1-32 |
| EKCC-2512-230 | Capacitor Contactor 25Kvar 1NO+2NC Coil 230VAC with EKC1-40 |
| EKCC-3312-230 | Capacitor Contactor 33Kvar 1NO+2NC Coil 230VAC with EKC1-50 |
| EKCC-4012-230 | Capacitor Contactor 40Kvar 1NO+2NC Coil 230VAC with EKC1-65 |
| EKCC-6012-230 | Capacitor Contactor 60Kvar 1NO+2NC Coil 230VAC with EKC1-95 |
| EKCC-1211-380 | Capacitor Contactor 12Kvar 1NO+1NC Coil 380VAC with EKC1-18 |
| EKCC-1611-380 | Capacitor Contactor 16Kvar 1NO+1NC Coil 380VAC with EKC1-25 |
| EKCC-2011-380 | Capacitor Contactor 20Kvar 1NO+1NC Coil 380VAC with EKC1-32 |
| EKCC-2512-380 | Capacitor Contactor 25Kvar 1NO+2NC Coil 380VAC with EKC1-40 |
| EKCC-3312-380 | Capacitor Contactor 33Kvar 1NO+2NC Coil 380VAC with EKC1-50 |
| EKCC-4012-380 | Capacitor Contactor 40Kvar 1NO+2NC Coil 380VAC with EKC1-65 |
| EKCC-6012-380 | Capacitor Contactor 60Kvar 1NO+2NC Coil 380VAC with EKC1-95 |
| EKCC-1211-415 | Capacitor Contactor 12Kvar 1NO+1NC Coil 415VAC with EKC1-18 |
| EKCC-1611-415 | Capacitor Contactor 16Kvar 1NO+1NC Coil 415VAC with EKC1-25 |
| EKCC-2011-415 | Capacitor Contactor 20Kvar 1NO+1NC Coil 415VAC with EKC1-32 |
| EKCC-2512-415 | Capacitor Contactor 25Kvar 1NO+2NC Coil 415VAC with EKC1-40 |
| EKCC-3312-415 | Capacitor Contactor 33Kvar 1NO+2NC Coil 415VAC with EKC1-50 |
| EKCC-4012-415 | Capacitor Contactor 40Kvar 1NO+2NC Coil 415VAC with EKC1-65 |
| EKCC-6012-415 | Capacitor Contactor 60Kvar 1NO+2NC Coil 415VAC with EKC1-95 |
