Select country or region
ETEK Global website
Pусский
×
EKC1 Mini Contactor
EKC1 Mini Contactor
EKC1 Mini Contactor

Магнитный контактор переменного тока EKC1 Mini

Контакторы переменного тока используются для подключения/отключения линии и частого управления двигателями и другим оборудованием. Он управляет большим током малым током и играет определенную роль в защите от перегрузки при работе с тепловым реле.

Магнитный контактор переменного тока EKC1 Mini

Запросить сейчас PDF

Обзор продукта

Описание

Мини-контакторы идеально подходят для общих задач, где ключевыми факторами являются небольшой размер и стоимость. Их можно использовать в специальных модульных и компактных приложениях. Небольшие размеры обеспечивают клиентам высокую гибкость в использовании для приложений с резистивными нагрузками до 20 А и нагрузками двигателя до 5,5 кВт. (Как правило) Они рассеивают меньше тепла, а некоторые модели с низким потреблением катушки могут напрямую приводиться в действие с помощью ПЛК. Мини-контактор можно установить на рейку DIN или стену. Варианты их дополнительных принадлежностей ограничены. Вы можете использовать их на небольших машинах, автоматических дверях, промышленных кухонных приборах и чистящих машинах.

Приложение дистанционное включение и выключение цепей
защитить цепь от перегрузки при сборке с тепловым реле перегрузки
частый запуск и управление контактором переменного тока
Электрическая ценность AC50/60Гц, 690В, до 12А
Категория использования АС-3, АС-4
Высота ≤2000м
Температура окружающей среды -5℃~+40℃
Категория монтажа
Условия монтажа Наклон между плоскостью крепления и вертикальной плоскостью не должен превышать ±5°.
Стандарт МЭК/ЕН 60947-4-1. МЭК/ЕН 60947-5-1.
Напряжение управляющей катушки
Работа катушки переменного тока Вольты (VAC) 24 36 42 48 110 127 220 230 240 380 415 440 480 500 600
Код 50 Гц В5 С5 Д5 Е5 Ф5 Г5 М5 П5 У5 Q5 Н5 Р5 - С5 Y5
60 Гц В6 - Д6 Е6 Ф6 Г6 М6 - У6 Q6 - Р6 Т6 - -
50/60Гц В7 - Д7 Е7 Ф7 - М7 П7 - Q7 Н7 Р7 - - -
Работа катушки постоянного тока Вольты (VDC) 12 24 36 48 110 220
Код ЖД БД компакт-диск ЭД ФД МД

Обозначение типа

Технические параметры

Технические данные

Технические характеристики
Стандарт МЭК/EN60947-4-1 МЭК/EN60947-5-1
Модель № ЭКЦ1-09М ЭКЦ1-12М
Номинальный условный ток нагрева Ит(А) 20 20
Номинальное напряжение Ui(В) Ui(В) 690 690
Номинальный рабочий ток АС-3 Иэ(А) 9 12
Uэ=380/415В АС-4 Иэ(А) 3.5 5
Управляемый трехфазный двигатель с клеточным ротором AC-3 220/240В кВт 2.2 3
380/415В кВт 4 5.5
660/690В кВт 5.5 7.5
Электрический ресурс (x103 операций) АС-3 1000 1000
АС-4 200 200
Механический ресурс (x106 операций) 10 10
Подходящий предохранитель Размер РТ16-00 РТ16-00
А 20 20
Основная цепь 3P или 4P
Вспомогательная цепь Кат.: AC-15, Ue=415 В Ie=0,95 А Ith=10 А 1НО или 1НЗ

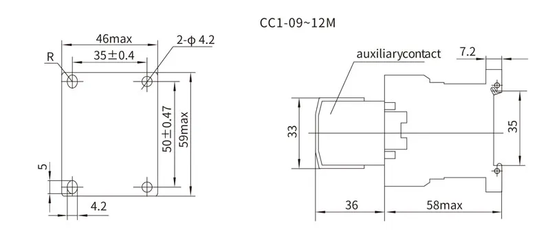
Размеры

Форма выбора продукта

Reference No. Specification
EKC1-0910M-24 Mini Contactor 4KW AC3 9A 3P+1NO Coil 24VAC
EKC1-0910M-42 Mini Contactor 4KW AC3 9A 3P+1NO Coil 42VAC
EKC1-0910M-48 Mini Contactor 4KW AC3 9A 3P+1NO Coil 48VAC
EKC1-0910M-110 Mini Contactor 4KW AC3 9A 3P+1NO Coil 110VAC
EKC1-0910M-220 Mini Contactor 4KW AC3 9A 3P+1NO Coil 220VAC
EKC1-0910M-230 Mini Contactor 4KW AC3 9A 3P+1NO Coil 230VAC
EKC1-0910M-240 Mini Contactor 4KW AC3 9A 3P+1NO Coil 240VAC
EKC1-0910M-380 Mini Contactor 4KW AC3 9A 3P+1NO Coil 380VAC
EKC1-0910M-415 Mini Contactor 4KW AC3 9A 3P+1NO Coil 415VAC
EKC1-0901M-24 Mini Contactor 4KW AC3 9A 3P+1NC Coil 24VAC
EKC1-0901M-42 Mini Contactor 4KW AC3 9A 3P+1NC Coil 42VAC
EKC1-0901M-48 Mini Contactor 4KW AC3 9A 3P+1NC Coil 48VAC
EKC1-0901M-110 Mini Contactor 4KW AC3 9A 3P+1NC Coil 110VAC
EKC1-0901M-220 Mini Contactor 4KW AC3 9A 3P+1NC Coil 220VAC
EKC1-0901M-230 Mini Contactor 4KW AC3 9A 3P+1NC Coil 230VAC
EKC1-0901M-240 Mini Contactor 4KW AC3 9A 3P+1NC Coil 240VAC
EKC1-0901M-380 Mini Contactor 4KW AC3 9A 3P+1NC Coil 380VAC
EKC1-0901M-415 Mini Contactor 4KW AC3 9A 3P+1NC Coil 415VAC
EKC1-1210M-24 Mini Contactor 5.5KW AC3 12A 3P+1NO Coil 24VAC
EKC1-1210M-42 Mini Contactor 5.5KW AC3 12A 3P+1NO Coil 42VAC
EKC1-1210M-48 Mini Contactor 5.5KW AC3 12A 3P+1NO Coil 48VAC
EKC1-1210M-110 Mini Contactor 5.5KW AC3 12A 3P+1NO Coil 110VAC
EKC1-1210M-220 Mini Contactor 5.5KW AC3 12A 3P+1NO Coil 220VAC
EKC1-1210M-230 Mini Contactor 5.5KW AC3 12A 3P+1NO Coil 230VAC
EKC1-1210M-240 Mini Contactor 5.5KW AC3 12A 3P+1NO Coil 240VAC
EKC1-1210M-380 Mini Contactor 5.5KW AC3 12A 3P+1NO Coil 380VAC
EKC1-1210M-415 Mini Contactor 5.5KW AC3 12A 3P+1NO Coil 415VAC
EKC1-1201M-24 Mini Contactor 5.5KW AC3 12A 3P+1NC Coil 24VAC
EKC1-1201M-42 Mini Contactor 5.5KW AC3 12A 3P+1NC Coil 42VAC
EKC1-1201M-48 Mini Contactor 5.5KW AC3 12A 3P+1NC Coil 48VAC
EKC1-1201M-110 Mini Contactor 5.5KW AC3 12A 3P+1NC Coil 110VAC
EKC1-1201M-220 Mini Contactor 5.5KW AC3 12A 3P+1NC Coil 220VAC
EKC1-1201M-230 Mini Contactor 5.5KW AC3 12A 3P+1NC Coil 230VAC
EKC1-1201M-240 Mini Contactor 5.5KW AC3 12A 3P+1NC Coil 240VAC
EKC1-1201M-380 Mini Contactor 5.5KW AC3 12A 3P+1NC Coil 380VAC
EKC1-1201M-415 Mini Contactor 5.5KW AC3 12A 3P+1NC Coil 415VAC
EKC1-0910MZ-12 Mini Contactor 4KW AC3 9A 3P+1NO Coil 12VDC
EKC1-0910MZ-24 Mini Contactor 4KW AC3 9A 3P+1NO Coil 24VDC
EKC1-0910MZ-36 Mini Contactor 4KW AC3 9A 3P+1NO Coil 36VDC
EKC1-0910MZ-48 Mini Contactor 4KW AC3 9A 3P+1NO Coil 48VDC
EKC1-0910MZ-110 Mini Contactor 4KW AC3 9A 3P+1NO Coil 110VDC
EKC1-0910MZ-220 Mini Contactor 4KW AC3 9A 3P+1NO Coil 220VDC
EKC1-0901MZ-12 Mini Contactor 4KW AC3 9A 3P+1NC Coil 12VDC
EKC1-0901MZ-24 Mini Contactor 4KW AC3 9A 3P+1NC Coil 24VDC
EKC1-0901MZ-36 Mini Contactor 4KW AC3 9A 3P+1NC Coil 36VDC
EKC1-0901MZ-48 Mini Contactor 4KW AC3 9A 3P+1NC Coil 48VDC
EKC1-0901MZ-110 Mini Contactor 4KW AC3 9A 3P+1NC Coil 110VDC
EKC1-0901MZ-220 Mini Contactor 4KW AC3 9A 3P+1NC Coil 220VDC
EKC1-1210MZ-12 Mini Contactor 5.5KW AC3 12A 3P+1NO Coil 12VDC
EKC1-1210MZ-24 Mini Contactor 5.5KW AC3 12A 3P+1NO Coil 24VDC
EKC1-1210MZ-36 Mini Contactor 5.5KW AC3 12A 3P+1NO Coil 36VDC
EKC1-1210MZ-48 Mini Contactor 5.5KW AC3 12A 3P+1NO Coil 48VDC
EKC1-1210MZ-110 Mini Contactor 5.5KW AC3 12A 3P+1NO Coil 110VDC
EKC1-1210MZ-220 Mini Contactor 5.5KW AC3 12A 3P+1NO Coil 220VDC
EKC1-1201MZ-12 Mini Contactor 5.5KW AC3 12A 3P+1NC Coil 12VDC
EKC1-1201MZ-24 Mini Contactor 5.5KW AC3 12A 3P+1NC Coil 24VDC
EKC1-1201MZ-36 Mini Contactor 5.5KW AC3 12A 3P+1NC Coil 36VDC
EKC1-1201MZ-48 Mini Contactor 5.5KW AC3 12A 3P+1NC Coil 48VDC
EKC1-1201MZ-110 Mini Contactor 5.5KW AC3 12A 3P+1NC Coil 110VDC
EKC1-1201MZ-220 Mini Contactor 5.5KW AC3 12A 3P+1NC Coil 220VDC
EKC1-0904M-24 Mini Contactor 4KW AC3 9A 4P 4NO Coil 24VAC
EKC1-0904M-42 Mini Contactor 4KW AC3 9A 4P 4NO Coil 42VAC
EKC1-0904M-48 Mini Contactor 4KW AC3 9A 4P 4NO Coil 48VAC
EKC1-0904M-110 Mini Contactor 4KW AC3 9A 4P 4NO Coil 110VAC
EKC1-0904M-220 Mini Contactor 4KW AC3 9A 4P 4NO Coil 220VAC
EKC1-0904M-230 Mini Contactor 4KW AC3 9A 4P 4NO Coil 230VAC
EKC1-0904M-240 Mini Contactor 4KW AC3 9A 4P 4NO Coil 240VAC
EKC1-0904M-380 Mini Contactor 4KW AC3 9A 4P 4NO Coil 380VAC
EKC1-0904M-415 Mini Contactor 4KW AC3 9A 4P 4NO Coil 415VAC
EKC1-1204M-24 Mini Contactor 5.5KW AC3 12A 4P 4NO Coil 24VAC
EKC1-1204M-42 Mini Contactor 5.5KW AC3 12A 4P 4NO Coil 42VAC
EKC1-1204M-48 Mini Contactor 5.5KW AC3 12A 4P 4NO Coil 48VAC
EKC1-1204M-110 Mini Contactor 5.5KW AC3 12A 4P 4NO Coil 110VAC
EKC1-1204M-220 Mini Contactor 5.5KW AC3 12A 4P 4NO Coil 220VAC
EKC1-1204M-230 Mini Contactor 5.5KW AC3 12A 4P 4NO Coil 230VAC
EKC1-1204M-240 Mini Contactor 5.5KW AC3 12A 4P 4NO Coil 240VAC
EKC1-1204M-380 Mini Contactor 5.5KW AC3 12A 4P 4NO Coil 380VAC
EKC1-1204M-415 Mini Contactor 5.5KW AC3 12A 4P 4NO Coil 415VAC
EKC1-0904MZ-12 Mini Contactor 4KW AC3 9A 4P 4NO Coil 12VDC
EKC1-0904MZ-24 Mini Contactor 4KW AC3 9A 4P 4NO Coil 24VDC
EKC1-0904MZ-36 Mini Contactor 4KW AC3 9A 4P 4NO Coil 36VDC
EKC1-0904MZ-48 Mini Contactor 4KW AC3 9A 4P 4NO Coil 48VDC
EKC1-0904MZ-110 Mini Contactor 4KW AC3 9A 4P 4NO Coil 110VDC
EKC1-0904MZ-220 Mini Contactor 4KW AC3 9A 4P 4NO Coil 220VDC
EKC1-1204MZ-12 Mini Contactor 5.5KW AC3 12A 4P 4NO Coil 12VDC
EKC1-1204MZ-24 Mini Contactor 5.5KW AC3 12A 4P 4NO Coil 24VDC
EKC1-1204MZ-36 Mini Contactor 5.5KW AC3 12A 4P 4NO Coil 36VDC
EKC1-1204MZ-48 Mini Contactor 5.5KW AC3 12A 4P 4NO Coil 48VDC
EKC1-1204MZ-110 Mini Contactor 5.5KW AC3 12A 4P 4NO Coil 110VDC
EKC1-1204MZ-220 Mini Contactor 5.5KW AC3 12A 4P 4NO Coil 220VDC

Скачать файлы

Документ доступен только на английском языке.

Рекомендовать продукты

Отправить запрос

Свяжитесь с нами

Captcha Code
×
Мы ценим вашу конфиденциальность
Мы используем файлы cookie, чтобы обеспечить вам лучший опыт работы в Интернете, анализировать и измерять использование веб-сайта, а также содействовать нашим маркетинговым усилиям.
Принять все