Реле защиты напряжения использует в качестве ядра высокоскоростной и маломощный процессор. Когда в линии электропитания происходит перенапряжение, пониженное напряжение или обрыв фазы, переполюсовка фазы, реле быстро и безопасно отключает цепь, чтобы избежать несчастных случаев, вызванных подачей ненормального напряжения на оконечный прибор.
1. Удобный мониторинг: реле напряжения может контролировать собственное рабочее напряжение (измерение истинного среднеквадратичного значения).
2. Применение: Защита и управление оборудованием (башенные краны, лифты, сельскохозяйственная техника, авторефрижераторы); предотвращение обратной работы оборудования; переключение основного/аварийного питания; предотвращение обрыва фаз динамических нагрузок.
3. Светодиодный индикатор: рабочее состояние реле контроля напряжения отображается светодиодным индикатором.
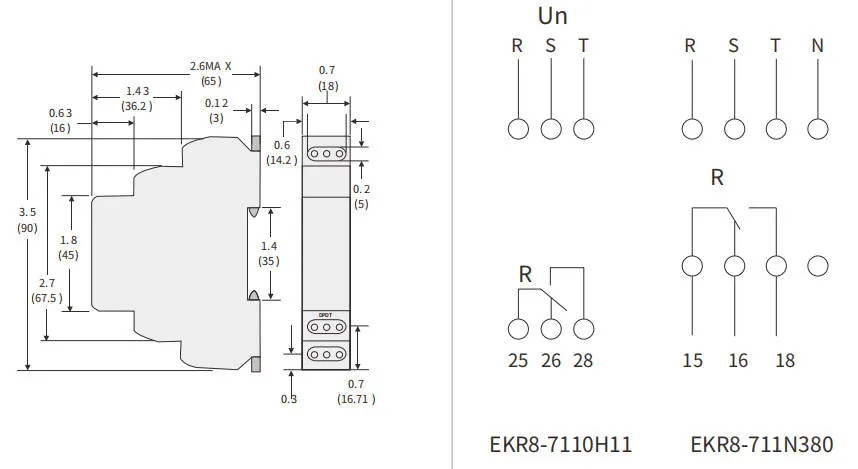
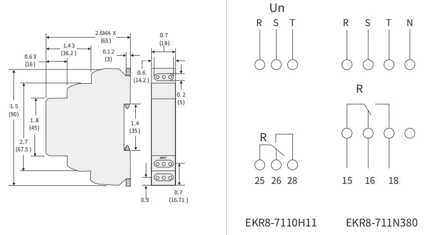
4. Компактный размер и простота установки: реле защиты напряжения имеет сверхмалые размеры и может быть установлено на 35-миллиметровой DIN-рейке.
Технические данные | |
EKR8-7110H11 | |
Тип мониторинга | Трехфазный трехпроводной |
Выходные характеристики | SPDT |
Задержка времени | 3С |
Фазовый сбой | √ |
Рабочее напряжение | Широкий диапазон напряжений: AC220-480V |
Частота | 50/60Гц |
Время срабатывания реле | 0.5С |
Рейтинг контактов | AC-15:3A/250VAC |
Температура окружающей среды | -10°С~+55°С |
Ошибка напряжения | ⼠2% макс. |
Ошибка температуры | ⼠2% макс. |

