Поворотный переключатель серии EKRS в основном применяется в цепях 440 В и ниже, переменного тока 50 Гц или 240 В и ниже постоянного тока. Для размыкания и замыкания, переключения цепей, нечасто ручного управления. Типичными применениями являются: переключатель управления 3-фазными двигателями, переключатель управления распределительным устройством, переключатель управления приборами и переключатель переключения машин и сварочных аппаратов.
● Серия соответствует стандартам IEC 60947-3, IEC 60947-5-1.
● Серия EKRS26 имеет 8 номиналов тока: 10А, 20А, 25А, 32А, 63А, 125А, 160А и 315А.
● Поворотные переключатели серии EKRS26 разработаны для выполнения множества функций и широкого спектра применений.
● EKRS26-10, EKRS26-20, EKRS26-25 и EKRS26-32F имеют клеммы с защитой пальцев.
● Оба они применимы в схемах, где требуется физический контроль.
● Мы можем оснастить защитный короб на 20А, 25А, 32А и 63А.
● Температура окружающей среды не превышает 40℃, а средняя температура, измеренная за период 24 часа, не превышает 35℃.
● Температура окружающей среды не должна быть ниже -25℃.
● Не следует устанавливать на высоте более 2000 м над уровнем моря.
● Влажность не должна превышать 50% при температуре окружающей среды 40℃, более высокая влажность допускается при более низкой температуре.
● Требуется чистая окружающая среда
● Пожалуйста, следуйте нашему руководству.
Использовать в качестве переключателей управления

Использовать в качестве выключателей двигателя

Использовать в качестве переключателя управления для главной цепи

● Переключатель
● Выключатель двигателя
● Переключатель управления
● Ограниченное движение
● Возвратная пружина
● Ограниченное движение с пружинным возвратом
● Переключатели с ограниченным движением могут иметь максимум 12 слоев (для 32 А и ниже). А для 63 А и выше могут иметь максимум 8 слоев
● Переключатели с пружинным возвратом могут иметь максимум 3 слоя.
● Переключатели двигателя могут иметь максимум 6 слоев
| Операция угол |
Характер код |
Положение ручки | |||
| Поворот на 30° | Поворот на 45° | Поворот на 60° | Поворот на 90° | ||
| Весна возвращено |
А | 0° ← 30° | 0° ← 45° | 0° ← 60° | 0° ← 90° |
| Б | 30° → 0° ← 30° | 45° → 0° ← 45° | 60° → 0° ← 60° | 90° → 0° ← 90° | |
| Х | 60° → 30° → 0° ← 30° ← 60° | 90° → 45° → 0° ← 45° ← 90° | |||
| И | 90° → 60° → 30° → 0° ← 30° ← 60° ← 90° | ||||
| Ограниченный движение |
С | 0° 30° | 0° 45° | 0° 60° | |
| Д | 30° 0° 30° | 45° 0° 45° | 60° 0° 60° | ||
| Э | 30° 0° 30° 60° | 45° 0° 45° 90° | 60° 0° 60° 120° | ||
| Ф | 60° 30° 0° 30° 60° | 90° 45° 0° 45° 90° | 60° 0° 60° 120° | ||
| Г | 60° 30° 0° 30° 60° 90° | 90° 45° 0° 45° 90° 135° | 120° 60° 0° 60° 120° 180° | ||
| ЧАС | 90° 60° 30° 0° 30° 60° 90° | 135° 90° 45° 0° 45° 90° 135° | |||
| я | 90° 60° 30° 0° 30° 60° 90° 120° | 135° 90° 45° 0° 45° 90° 135° 180° | |||
| Дж. | 120° 90° 60° 30° 0° 30° 60° 90° 120° | ||||
| К | 20° 90° 60° 30° 0° 30° 60° 90° 120° 150° | ||||
| Л | 150° 120° 90° 60° 30° 0° 30° 60° 90° 120° 150° | ||||
| М | 150° 120° 90° 60° 30° 0° 30° 60° 90° 120° 150° 180° | ||||
| Н | 45° 45° | 30° 30° | |||
| П | 90° 0° 90° | ||||
| Т | 0° 90° | ||||
| В | 90° 0° | ||||
| Ограниченный движение с пружиной возвращаться |
Р | 30° 0° ← 30° | 270° 0° 90° 180° | ||
| В | 30° → 0° 60° | 135° 90° 45° 0° ← 45° | |||
| С | 135° 90° 45° 0° ← 45° | ||||
| Вт | 30° → 90° 0° ← 30° | 90° → 45° 0° 45° ← 90° | |||
Механический ресурс без нагрузки: 0,1×106 раз, частота срабатывания 120 раз/ч.
Механический ресурс при нагрузке: 0,03×106 раз, частота срабатывания 120 раз/ч.
| Описание | ЕКРС 26-10 |
ЕКРС 26-20 |
ЕКРС 26-25 |
ЕКРС 26-32 |
ЕКРС 2626-63 |
ЕКРС 26-125 |
ЕКРС 26-160 |
ЕКРС 26-315 |
||||||||||
| Номинальное напряжение изоляции | Уи | В | 660 | 660 | 660 | 660 | 660 | 660 | 660 | 660 | ||||||||
| Номинальный тепловой ток | Итх | А | 10 | 20 | 25 | 32 | 63 | 125 | 160 | 315 | ||||||||
| Номинальное рабочее напряжение | Уэ | В | 240 | 440 | 240 | 440 | 240 | 440 | 240 | 440 | 240 | 440 | 240 | 440 | 240 | 440 | 240 | 440 |
| Номинальный рабочий ток Ie | ||||||||||||||||||
| АС-21А, АС-22А | А | 10 | 10 | 20 | 20 | 25 | 25 | 32 | 32 | 63 | 63 | 100 | 100 | 150 | 150 | 315 | 315 | |
| АС-23А | А | 7.5 | 7.5 | 15 | 15 | 22 | 22 | 30 | 30 | 57 | 57 | 90 | 90 | 135 | 135 | 265 | 265 | |
| АС-2 | А | 7.5 | 7.5 | 15 | 15 | 22 | 22 | 30 | 30 | 57 | 57 | 90 | 90 | 135 | 135 | 265 | 265 | |
| АС-3 | А | 5.5 | 5.5 | 11 | 11 | 15 | 15 | 22 | 22 | 36 | 36 | 75 | 75 | 95 | 95 | 110 | 110 | |
| АС-4 | А | 1.75 | 1.75 | 3.5 | 3.5 | 6.5 | 6.5 | 11 | 11 | 15 | 15 | 30 | 30 | 55 | 55 | 95 | 95 | |
| АС-15 | А | 2.5 | 1.5 | 5 | 4 | 8 | 5 | 14 | 6 | |||||||||
| АС-13 | А | 0.4 | 0,5 | |||||||||||||||
| Власть | ||||||||||||||||||
| АС-23А | кВт | 1.8 | 3 | 3.7/ 2.5 |
7.5/ 3.7 |
5.5 /3 |
11/ 5.5 |
7.5 /4 |
1.5/ 7.5 |
15 /10 |
30/ 18.5 |
30/ 15 |
45/ 22 |
37/ 22 |
75/ 37 |
75/ 37 |
132 /55 |
|
| АС-2 кВт | кВт | 2.5 | 3.7 | 4 | 7.5 | 5.5 | 11 | 7.5 | 15 | 18.5 | 30 | 30 | 45 | 37 | 55 | 55 | 95 | |
| АС-3 кВт | кВт | 1.5 | 2.2 |
3/ |
5.5/3 | 4/3 |
7.5 |
5.5 |
11/ |
11 |
18.5 /11 |
15/ 7.5 |
30 /13 |
22 /11 |
37/ 18.5 |
27 /22 |
55 /30 |
|
| АС-4 кВт | кВт | 0,37 | 0,55 |
0,55/ |
1.5/ |
1.5 |
3/ |
2.7 |
5.5 |
5.5 |
7.5 /4 |
6/3 | 12/ 5.5 |
10 /4 |
15/ 7.5 |
15/ 7.5 |
25 /11 |
|
Re1: Нейтральный
Re2: Мощность ниже:
AC-23A, AC-3, AC-4 — это трехфазные трехполюсные устройства, а знаменатель представляет собой мощность однофазных двухполюсных устройств.



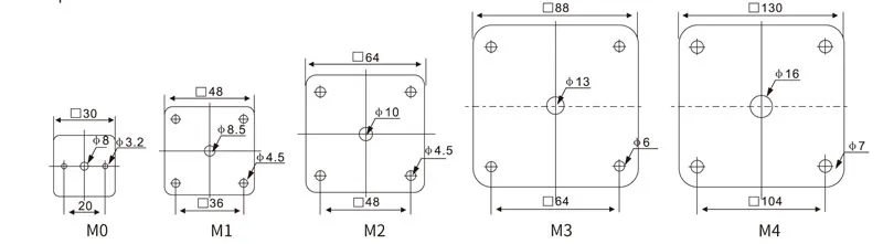
Квадратная пластина для накладок и прямоугольная пластина для накладок






|
Описание |
Щиток пластины |
Размеры (мм) |
Установка(мм) |
||||||
|
A |
B |
C |
L |
E |
F |
D1 |
D2 |
||
|
EKRS26-10 |
M0 квадрат |
30 |
30 |
28 |
22+8n |
20 |
|
φ8 |
φ3.2 |
|
EKRS26-20 |
M1 квадрат |
48 |
48 |
43 |
22+9.6n |
36 |
36 |
φ8.5 |
φ4.5 |
|
M1 прямоугольный |
48 |
60 |
43 |
22+9.6n |
36 |
36 |
φ8.5 |
φ4.5 |
|
|
M2 квадрат |
64 |
64 |
43 |
25+9.6n |
48 |
48 |
φ10 φ10 |
φ4.5 φ4.5 |
|
|
M2 прямоугольный |
64 |
80 |
34 |
25+9.6n |
48 |
48 |
|
|
|
|
EKRS26-25 |
M1 квадрат |
48 |
48 |
45.2 |
23+12.8n |
36 |
36 |
φ8.5 |
φ4.5 |
|
M1 прямоугольный |
48 |
60 |
45.2 |
23+12.8n |
36 |
36 |
φ8.5 |
φ4.5 |
|
|
M2 квадрат |
64 |
64 |
45.2 |
26.5+12.8n |
48 |
48 |
φ10 φ10 |
φ4.5 φ4.5 |
|
|
M2 прямоугольный |
64 |
88 |
45.2 |
26.5+12.8n |
48 |
48 |
|
|
|
|
EKRS26-32 |
M2 квадрат |
64 |
64 |
58 |
29.2+12.8n |
48 |
48 |
φ10 |
φ4.5 |
|
M2 прямоугольный |
64 |
80 |
58 |
29.2+12.8n |
48 |
48 |
φ10 |
φ4.5 |
|
|
M3 квадрат |
88 |
88 |
58 |
29.2+12.8n |
68 |
68 |
φ13 |
φ6 |
|
|
EKRS26-63 |
M2 квадрат |
64 |
64 |
66 |
29.2+21.5n |
48 |
48 |
φ10 |
φ4.5 |
|
M2 прямоугольный |
64 |
80 |
66 |
29.2+21.5n |
48 |
48 |
φ10 φ13 |
φ4.5 |
|
|
M3 квадрат |
88 |
88 |
66 |
29.2+21.5n |
68 |
68 |
|
φ6 |
|
|
EKRS26-125 |
M3 квадрат |
88 |
88 |
84 |
35+26.5n |
68 |
68 |
φ13 |
φ6 |
|
EKRS26-160 |
M3 квадрат |
88 |
88 |
88 |
35+32.5n |
68 |
68 |
φ13 |
φ6 |
|
EKRS26-315 |
M4 квадрат |
130 |
130 |
126 |
39.5+38.5n |
104 |
104 |
φ16 |
φ7 |
Re: n для количества слоев
Благодаря гибкости выбора номиналов контактов серии EKRS и количества контактов и т. д., их число комбинаций практически безгранично, что позволяет гарантировать выбор правильного переключателя для конкретного применения, поэтому мы готовим следующую индивидуальную программу для наших клиентов, которые заказывают специальные переключатели. Только для серии EKRS26.


