● Стандарт: IEC61009-1
● Тип: AC, A
● Номинальный ток: 6~40А
● Номинальное напряжение: 230/240~
● Количество полюсов: два полюса
● Номинальный остаточный рабочий ток (IAn): 10, 30, 100, 300 мА
● Номинальная отключающая способность при коротком замыкании: 4,5 кА
● Кривая отключения: B, C
● Температура окружающего воздуха: -25...+40 ºC
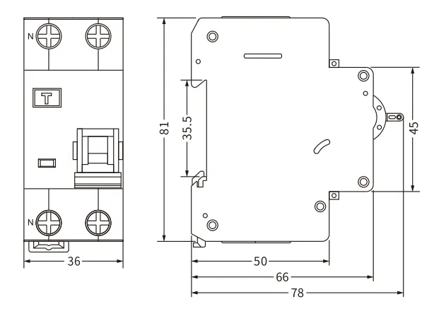
● Подключение: снизу
● Сертификаты: CE, CB
● Маркетинг: Центральная Азия, Россия
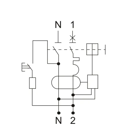
Автоматический выключатель остаточного тока EKL3-40S 4,5 кА производства ETEK Electric может защитить ваше оборудование от вредных перегрузок и токов утечки. Корпус из термопластика ударопрочный и обеспечивает изоляцию для защиты от поражения электрическим током. Он предлагает характеристику отключения типа B или C.
Стандарт | МЭК/EN61009-1 | ||
Защита | Замыкание на землю, перегрузка по току и короткое замыкание, перенапряжение (по выбору) | ||
Тип поездки | Замыкание на землю: Электронное | ||
Перегрузка и короткое замыкание: Термомагнитный | |||
Тип защиты (утечка тока) | АС, А | ||
Количество полюсов | 1P+N 2модуля, линия N с отключенным | ||
| Номинальный ток In | 6,10,16,20,25,32,40А | ||
| Номинальное напряжение Ue | 230/240В~ | ||
| Номинальная частота | 50/60Гц | ||
Номинальные токи чувствительности I△n | 10,30,100,300мА | ||
Остаточный ток выключения при I△n | ≤0,1с | ||
Номинальная остаточная включающая и отключающая способность (I△m) | 500А(In≤50А) | ||
| Номинальная отключающая способность | 4500А | ||
| Номинальное импульсное выдерживаемое напряжение (1,2/50) Uimp | 4000 В | ||
| Напряжение испытания диэлектрика при инд. частоте в течение 1 мин. | 2кВ | ||
Характеристика термического срабатывания | (1,13-1,45) х В | ||
Характеристика магнитного расцепления | B:(3-5) х В, C:(5-10) х В | ||
| Электрическая жизнь | 4000 циклов | ||
| Механическая жизнь | 10 000 циклов | ||
| Индикатор положения контакта | Да | ||
Степень защиты | IP20 | ||
| Температура окружающей среды | -25℃ до +40℃, макс. влажность 95% | ||
| Тип клеммного соединения | Кабель/штыревая шина | ||
Макс. размер клеммы для кабеля | 25мм2 | ||
Макс. момент затяжки | 2.5Нм | ||
Установка | Монтаж на 35-мм DIN-рейку | ||
| Связь | Сверху | ||


