● Стандарт: IEC61008-1, IEC61008-2, IEC62955
● Классификация RDC-DD: RDC-PD
● Поведение в присутствии компонентов постоянного тока: Тип А
● Номинальный ток: 16~63А
● Номинальное напряжение: 230/400 В~240/415 В
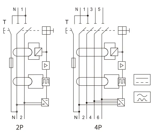
● Полюса: 2P(1P+N), 4P(3P+N), N-полюс слева
● Номинальный остаточный рабочий ток (IΔn): 30 мА
● Номинальный остаточный постоянный рабочий ток (IΔdc): 6 мА
● Температура окружающего воздуха: -25...+55 ºC
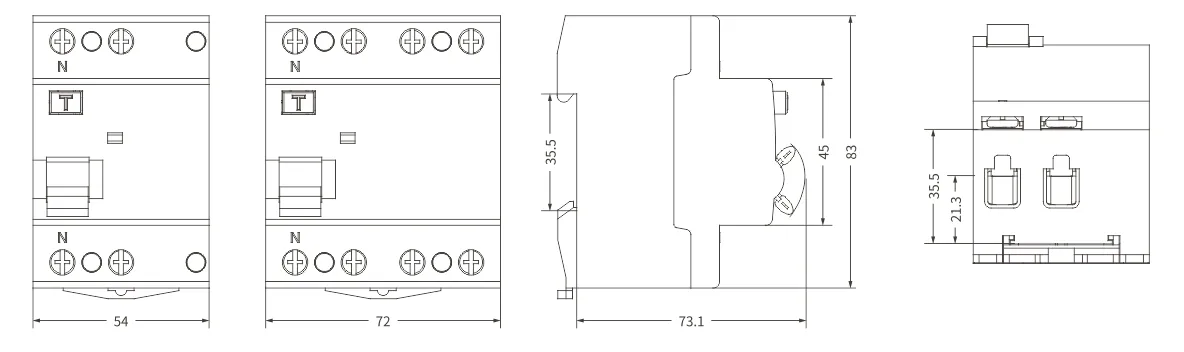
● Подключение: сверху и снизу
● Сертификаты: CE, CB, TUV, UKCA
ETEK Type EV RCD EKL6-63EV — это экономичное решение, которое сочетает в себе функциональность RCCB Type A с датчиком постоянного тока 6 мА. Это устройство специально разработано для систем зарядки электромобилей и соответствует требованиям к устройствам защитного отключения IEC 61851-1 и IEC 60364-7-722. Компактная конструкция RCD Type EV объединяет как защиту от остаточного тока переменного тока 30 мА (тип A), так и защиту от остаточного тока постоянного тока 6 мА. Кроме того, устройство соответствует стандартам RCCB Type-A и RDC-DD (устройство обнаружения остаточного постоянного тока), как определено IEC 62955.
Эти УЗО можно использовать только для защиты при зарядке электромобилей в линию. Их нельзя использовать для других целей. Конечно, УЗО типа B можно использовать и в зарядных устройствах для электромобилей.
УЗО типа EV ни при каких обстоятельствах не может использоваться в качестве замены типа B. Оно обнаруживает только дифференциальные токи типа A (переменные и пульсирующие дифференциальные токи с номинальной частотой 50 Гц), а также плавные постоянные дифференциальные токи (отключение при макс. 6 мА) благодаря встроенной дополнительной функции.
| Стандарт |
МЭК61008-1, МЭК61008-2, МЭК62955
|
|
Защита
|
Замыкание на землю
|
|
Тип поездки
|
Электромагнитный
|
|
Тип защиты (утечка тока)
|
А |
|
Количество полюсов
|
2P(1P+N), 4P(3P+N), N-полюс слева
|
| Номинальный ток In | 25,40,63А |
| Номинальное напряжение Ue | 2P 240В~,4P 415В~ |
| Номинальная частота | 50/60Гц |
|
Номинальные токи чувствительности IΔn
|
30мА |
| Порог срабатывания постоянного тока (IΔdc) | 6мА |
|
Остаточный ток выключения при I△n
|
≤0,1с |
| Номинальная остаточная включающая и отключающая способность (I△m) | 500А(In≤40А), 10In (In>40А) |
|
Номинальная отключающая способность
|
10,000А |
| предохранитель SCPD | 10кА |
| Номинальное импульсное выдерживаемое напряжение (1,5/50) Uimp | 4000В |
| Напряжение испытания диэлектрика при инд. частоте в течение 1 мин. | 2,5 кВ |
| Электрическая жизнь | 2000 циклов |
| Механическая жизнь | 4000 циклов |
| Индикатор положения контакта | Да |
|
Индикатор замыкания на землю
|
Да |
| Степень защиты | IP20 |
| Температура окружающей среды |
-25℃ to 55℃, макс. влажность 95%
|
| Тип клеммного соединения | Кабель/Шина штыревого типа/Шина U-типа |
|
Макс. размер клеммы для кабеля
|
35мм 2 |
| Макс. момент затяжки | 2.5Нм |
|
Установка
|
Монтаж на DIN-рейку 35 мм
|
| Связь |
Сверху и снизу
|


|
Поляки |
Номинальный ток (А) |
Номер ссылки |
Технические характеристики |
|
1P+N |
16A |
EKL6-63EV-1N1630AD6 |
RCCB 10KA 1P+N 16A 30mA Тип A DC 6mA |
|
25A |
EKL6-63EV-1N2530AD6 |
RCCB 10KA 1P+N 25A 30mA Тип A DC 6mA |
|
|
32A |
EKL6-63EV-1N3230AD6 |
RCCB 10KA 1P+N 32A 30mA Тип A DC 6mA |
|
|
40A |
EKL6-63EV-1N4030AD6 |
RCCB 10KA 1P+N 40A 30mA Тип A DC 6mA |
|
|
63A |
EKL6-63EV-1N6330AD6 |
RCCB 10KA 1P+N 63A 30mA Тип A DC 6mA |
|
|
3P+N |
16A |
EKL6-63EV-3N1630AD6 |
RCCB 10KA 3P+N 16A 30mA Тип A DC 6mA |
|
25A |
EKL6-63EV-3N2530AD6 |
RCCB 10KA 3P+N 25A 30mA Тип A DC 6mA |
|
|
32A |
EKL6-63EV-3N3230AD6 |
RCCB 10KA 3P+N 32A 30mA Тип A DC 6mA |
|
|
40A |
EKL6-63EV-3N4030AD6 |
RCCB 10KA 3P+N 40A 30mA Тип A DC 6mA |
|
|
63A |
EKL6-63EV-3N6330AD6 |
RCCB 10KA 3P+N 63A 30mA Тип A DC 6mA |
