● Стандарт: IEC60947-1, IEC60947-4-1
● Номинальный ток: 6~12А
● Номинальное рабочее напряжение: 380/400 В, 600/690 В
● Номинальное напряжение изоляции: 690 В
● Количество полюсов: 3P, 4P
● Вспомогательный контакт: 1НО или 1НЗ
● Температура окружающей среды: -5℃~+40℃
● Метод установки: на DIN-рейку или на винты
Мини-контактор EKC2-M — это электрическое реле, предназначенное для управления силовой цепью с использованием сигнала малой мощности. Это более компактная версия стандартного контактора, которая находит широкое применение в системах управления двигателями, управления освещением и автоматизации.
Управление двигателем: контролируемый запуск и остановка электродвигателей, особенно в условиях ограниченного пространства.
Управление освещением: управление цепями освещения, особенно в коммерческих и промышленных помещениях.
Системы отопления: управление электрическими нагревателями, обеспечение их безопасной и эффективной работы.
Системы автоматизации: как часть решений по автоматизации, где они могут использоваться для управления различными устройствами и машинами.
Мини-контакторы серии EKC2-M являются важнейшим компонентом многих электрических систем, предлагая надежный и эффективный способ управления силовыми цепями в компактном форм-факторе.
| Тип | ЭКЦ2-06М | ЭКЦ2-09М | ЭКЦ2-12М | |
| Характеристика главной цепи | ||||
| Поляки | 3П, 4П | |||
| Основной контакт | 3НЕТ | |||
| Номинальное напряжение изоляции (Ui)(В) | 690 | |||
| Номинальное рабочее напряжение (Ue)(В) | 380/400, 660/690 | |||
| Номинальный тепловой ток (Ith), AC-1 | 20 | |||
| Номинальная эксплуатация ток(Ie)(A) | АС-3, 380/400В | 6 | 9 | 12 |
| АС-3, 660/690В | 3.8 | 4.9 | 4.9 | |
| АС-4, 380/400В | 6 | 9 | 9 | |
| АС-4, 660/690В | 3.8 | 4.9 | 4.9 | |
| Номинальная работоспособность мощность(Pe)(A) | АС-3, 380/400В | 2.2 | 4 | 5.5 |
| АС-3, 660/690В | 3 | 4 | 4 | |
| Механический ресурс (×10 3 раз) | 1200 | |||
| Электрическая жизнь (×10 3 раза) | АС-3 | 120 | ||
| АС-4 | Смотреть кривую электрической долговечности | |||
| Частота операция (время/ч) | АС-3 | 1200 | ||
| АС-4 | 300 | |||
| Характеристики цепи управления | ||||
| Номинальный контроль напряжение (Us) | 50 Гц | 24В,36В,48В,110В,127В,220В,380В,415В | ||
| 50/60Гц | 24В,36В,48В,110В,127В,220В,380В,415В | |||
| округ Колумбия | 12В,24В,36В,48В,110В,127В,220В | |||
| Разрешенный контроль напряжение цепи | Операция | (85%~110%)Нас | ||
| Выпуск(AC) | (20%~75%)Нас | |||
| Выпуск (DC) | (10%~75%)Нас | |||
| Потребляемая мощность катушки | Приведение в действие (ВА) | 20-40 | ||
| Сохранить(ВА) | 9.5 | |||
| Потребление(Вт) | 1-3 | |||
| Вспомогательные контакты | ||||
| Встроенный вспомогательный контакт | 1НО/1НЗ | |||
| Номинальный тепловой ток (Ith) | 10А | |||
| Номинальная рабочая напряжение (Ue) | АС | 380/400В | ||
| округ Колумбия | 220В | |||
| Номинальный контроль емкость | АС-15 | Ue/Ie: AC380V/400V/1.5A; Ith: 10A | ||
| ДС-13 | Ue/Ie: DC220V/0.3A | |||

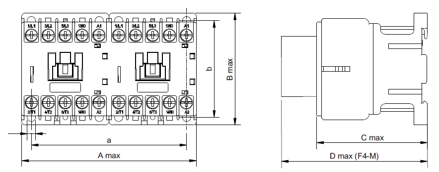
| Модель | Макс | Б Макс | С Макс | D Макс | а | б | Ø |
| ЕКЦ2-06М~12М | 45,5 | 59 | 58 | 94 | 35±0,35 | 50±0,48 | 4.2 |
| EKC2-06M/Z~12M/Z | 45,5 | 59 | 70 | 106 | 35±0,35 | 50±0,48 | 4.2 |

| Модель | Макс | Б Макс | С Макс | D Макс | а | б | Ø |
| EKC2-06M/N~12M/N | 91 | 59 | 58 | 94 | 80±0,35 | 50±0,48 | 4.2 |
| EKC2-06M/Z/N~12M/Z/N | 91 | 59 | 70 | 106 | 80±0,35 | 50±0,48 | 4.2 |
