Механическая комбинированная система
Монтаж и демонтаж четвертого полюса и вспомогательного контакта выполняется быстро и просто без использования инструментов.
![]() | |||||
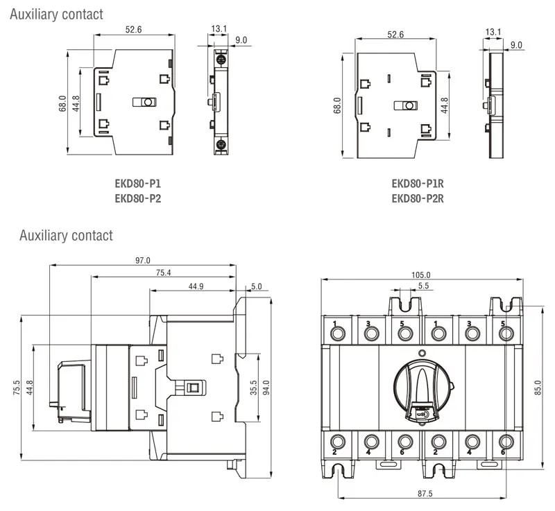
01 | Дополнительные вспомогательные контакты | 02 | Крышка клеммной коробки | 03 | Дополнительный четвертый полюс с боковым креплением |
Изолирующий выключатель использует то же вспомогательное устройство Изолирующий выключатель может быть установлен с | Крышка клеммы разъединителя имеет простую конструкцию. | Одновременная или ранняя контактная операция | |||
04 | Корпус переключателя | 05 | Механический блокировочный механизм | 06 | Вращающаяся ручка |
Переключатель использует компрессионный контакт. | Внутренняя часть выполнена из материала с высокой проводимостью. | Вращающаяся ручка с защитой от неправильного срабатывания | |||
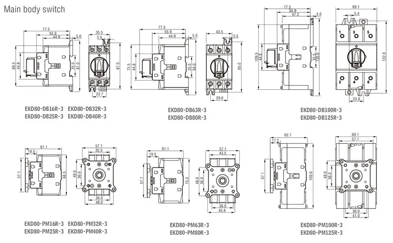
Метод установки рельса

Тип | 3П | EKD80-DB63R-6R-IM2 | EKD80-DB80R-6R-IM2 | EKD80-DB100R-6R-IM2 | EKD80-DB63R-3R-IM31 | EKD80-DB80R-3R-IM31 | EKD80-DB100R-3R-IM31 | EKD80-DB63R-3R-IM32 | EKD80-DB80R-3R-IM32 | EKD80-DB100R-3R-IM32 |
4П | EKD80-DB63R-8R-IM2 | EKD80-DB80R-8R-IM2 | EKD80-DB100R-8R-IM2 | EKD80-DB63R-4R-IM31 | EKD80-DB80R-4R-IM31 | EKD80-DB100R-4R-IM31 | EKD80-DB63R-4R-IM32 | EKD80-DB80R-4R-IM32 | EKD80-DB100R-4R-IM32 | |
Текущий Согласованный ток нагрева (≤40°С) | 63А | 80А | 100А | 63А | 80А | 100А | 63А | 80А | 100А | |
IEC-рейтинг работоспособности текущий ле AC-21 A/B (≤690 В) | 63А/63А | 80А/80А | 100А/100А | 63А/63А | 80А/80А | 100А/100А | 63А/63А | 80А/80А | 100А/100А | |
рейтинг lEC | 415В | 63А/63А | 80А/80А 63А/80А | 100А/100А 63А/80А | 63А/63А | 80А/80А | 100А/100А | 63А/63А | 80А/80А | 100А/100А |
500В | ||||||||||
690В | 40А/63А | 80А/80А | 80А/80А | 40А/63А | 63А/80А | 63А/80А | 40А/63А | 63А/80А | 63А/80А | |
Рейтинг МЭК | 415В | 63А/63А | 80А/80А | 100А/100А | 63А/63А | 80А/80А | 80А/80А | 63А/63А | 80А/80А | 80А/80А |
500В | 63А/63А | 63А/63А | 63А/63А | |||||||
690В | 40А/40А | 40А/40А | 40А/40А | |||||||
рейтинг lEC | 110 В постоянного тока | 63А① | 80А① | 100А① | 63А① | 80А① | 100А① | 63А① | 80А① | 100А① |
250 В постоянного тока | 63А② | 80А② | 100А② | 63А② | 80А② | 100А② | 63А② | 80А② | 100А② | |
400 В постоянного тока | 40А③ | 40А③ | 40А③ | |||||||
рейтинг lEC | 415В | 30КВт | 37КВт | 45КВт | 30КВт | 37КВт | 45КВт | 30КВт | 37КВт | 45КВт |
500В | ||||||||||
690В | ||||||||||
Ток короткого замыкания, выдерживаемый предохранителем (кА, среднеквадратичное ожидаемое значение) | ||||||||||
Класс предохранителя | 415В | 63А | 80А | 100А | 63А | 80А | 100А | 63А | 80А | 100А |
Оценивается условно ток короткого замыкания | 415В | 50кА | ||||||||
Выдерживаемый ток короткого замыкания автоматического выключателя для защиты, любой автоматический выключатель, который может сработать в течение 0,3 с | ||||||||||
Номинальный кратковременный выдерживать ток | 0.3С | 3кА | ||||||||
Характеристики короткого замыкания (без защиты) | ||||||||||
Номинальный кратковременный выдерживать ток | 1С | 1,5 кА | ||||||||
Номинальное короткое замыкание производительность | 2.1кА | |||||||||
Площадь поперечного сечения терминалов | 2,5~35 мм2 | |||||||||
Номинальное напряжение изоляции Ui | 800В | |||||||||
Номинальная устойчивость к импульсным перегрузкам напряжение Uimp | 8кВ | |||||||||
Механическая выносливость | 100000 | |||||||||
Окружающая температура | Эксплуатация -25...+55℃ Хранение -40...+70°C | |||||||||
①Каждый полюс используется как положительный и отрицательный
②Используются три полюса последовательно с положительными и отрицательными полюсами, из которых два полюса соединены последовательно, а один отрицательный
③четыре полюса используются последовательно с положительными и отрицательными полюсами
Боковые дополнительные стойки



Боковые дополнительные стойки


Дополнительные вспомогательные контакты

Крышка клеммной коробки

Механизм механической блокировки

Вращающиеся части ручки






