● Стандарт: IEC60898-1
● Тип отключения: Термомагнитный
● Защита: защита от перегрузки по току и короткого замыкания
● Номинальный ток: 1~63А
● Номинальное напряжение: 230/400 В~240/415 В
● Количество полюсов: 1P,2P,3P,4P,1P+N,3P+N
● Номинальная отключающая способность при коротком замыкании: 4,5 кА
● Кривая отключения: B, C, D
● Температура окружающего воздуха: -25...+40 ºC
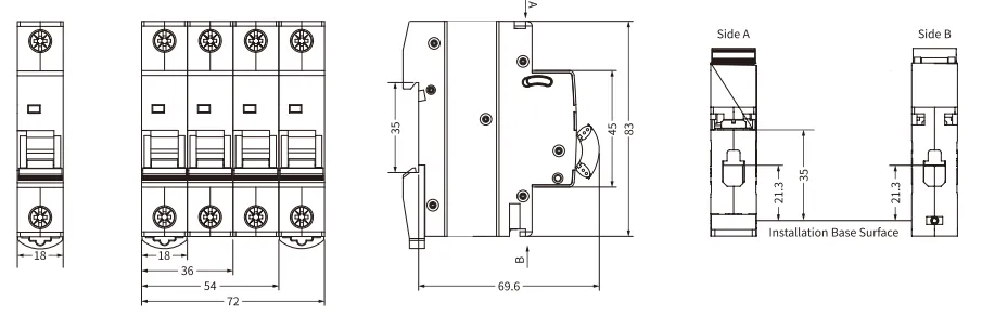
● Подключение: сверху и снизу
● Сертификаты: CB, CE
Мини-выключатель EKM2-63X 4,5 кА обеспечивает надежную защиту от сверхтоков и коротких замыканий как для жилых, так и для промышленных помещений. Благодаря широкому диапазону номинальных токов, термомагнитному типу отключения и кабельному/штыревому соединению с шиной, он является универсальным и долговечным выбором для ваших потребностей в защите цепи.
| Стандарт | МЭК/EN60898-1 |
| Защита | Перегрузка по току и короткое замыкание |
| Тип поездки | Термомагнитный |
| Номинальный ток In | 1,2,3,4,5,6,10,16,20,25,32,40,50,63А |
| Поляки | 1П, 1П+Н, 2П, 3П,3П+Н, 4П |
| Номинальное напряжение Ue | 240/415В~ |
| Номинальная частота | 50/60Гц |
| Номинальная отключающая способность | 4500А |
| Номинальное импульсное выдерживаемое напряжение (1,2/50) Uimp | 4000 В |
| Напряжение испытания диэлектрика при инд. частоте в течение 1 мин | 2кВ |
| Характеристика термического срабатывания | (1,13-1,45) х В |
| Характеристика магнитного расцепления | B:(3-5) x In, C:(5-10) x In, D:(10-20) x In |
| Электрическая жизнь | 4000 циклов |
| Механическая жизнь | 10 000 циклов |
| Индикатор положения контакта | Да |
| Степень защиты | IP20 |
| Температура окружающей среды (дневная средняя ≤35℃) | -5℃~+40℃, макс. влажность 95% |
| Тип клеммного соединения | Кабель/штыревая шина |
| Макс. размер клеммы для кабеля | 25мм 2 |
| Макс. момент затяжки | 2.5Нм |
| Установка | Монтаж на 35-мм DIN-рейку |
| Связь | Сверху и снизу |


