● Номинальное напряжение: до 1000 В постоянного тока
● Входные каналы: макс. 6 струн
● Входные каналы: 1 струна
● Защитные устройства: встроенные предохранители и защита от перенапряжения
● Корпус: класс защиты IP65 для использования вне помещений
● Соответствие: соответствует международным стандартам безопасности.
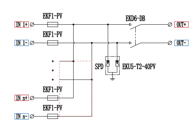
Солнечная фотоэлектрическая DC-комбайнерная коробка серии EKDBS-PV разработана с высокопрочным пластиковым корпусом, что обеспечивает прочность и долговечность продукта. Комбайнерная коробка имеет уровень защиты IP65 и обеспечивает оптимальную защиту в суровых условиях окружающей среды. Эти комбайнерные коробки подходят для бытовых и промышленных фотоэлектрических систем генерации электроэнергии с рабочим напряжением 500 В, 600 В и 1000 В.
Коробка объединителя может быть оснащена рядом компонентов, таких как автоматические выключатели постоянного тока, разъединители, устройства защиты от перенапряжения постоянного тока, предохранители постоянного тока, фотоэлектрические разъемы или водонепроницаемые разъемы.
Серия EKDBS-PV обеспечивает защиту от молнии, защиту от короткого замыкания и защиту заземления для обеспечения безопасности системы. Она поддерживает до 6 строк постоянного тока и может быть легко установлена на стене. В дополнение к основным компонентам, все компоненты могут быть настроены в соответствии с требованиями пользователя.
| Модель | ЕКДБС-ПВ1/1 | ЕКДБС-ПВ2/1 | ЕКДБС-ПВ3/1 | ЕКДБС-ПВ4/1 | |||
| Входные цепи постоянного тока | 1 | 2 | 3 | 4 | |||
| Выходные строки | 1 | 1 | 1 | 1 | |||
| Макс. напряжение постоянного тока | 600В | 1000В | 600В | 1000В | 500В | 1000В | 1000 В постоянного тока |
| Макс. входной ток | 32А | 15А | 20А | 8А/15А | |||
| Макс. выходной ток | 32А | 32А | 63А | 32А/63А | |||
| Защита от перенапряжения | |||||||
| Экспериментальный уровень | Ⅱ | Ⅱ | Ⅱ | Ⅱ | |||
| Макс. рабочее напряжение | 600В | 1000В | 600В | 1000В | 600В | 1000В | 1000В |
| В (8/20мкс) | 20кА | 20кА | 20кА | 20кА | |||
| Iмакс (8/20мкс) | 40кА | 40кА | 40кА | 40кА | |||
| Уровень защиты напряжения | 2,6 кВ | 4КВ | 2,6 кВ | 4КВ | 2,6 кВ | 4кВ | 4 |
| Поляки | 2 | 3 | 2 | 3 | 2 | 3 | 3 |
| Конструктивные особенности | Подключаемый модуль | ||||||
| Предохранитель постоянного тока | |||||||
| Номинальное рабочее напряжение | 1000В | 1000В | 1000В | 1000В | |||
| Номинальный ток | 32А (8~32А) | 15А | 20А | 8А/15А | |||
| Размер предохранителя | 10x38мм | 10x38мм | 10x38мм | 10x38мм | |||
| Главный выключатель (доступен автоматический выключатель или разъединитель) | |||||||
| Номинальный ток | 32А | 32А | 32А/63А | 32А/63А | |||
| Корпус | |||||||
| Тип материала | ПК+АБС | ||||||
| Степень защиты | IP65 | ||||||
| Уровень защиты от ударов | ИК10 | ||||||
| Измерение | Определяется типом главного выключателя и входным напряжением (настраивается) | ||||||
| Входной или выходной разъем | PG или MC4 | ||||||
| Среда | |||||||
| Рабочая температура | -25℃ до +55℃ | ||||||
| Влажность | 95% | ||||||
| Высота | 2000м | ||||||
| Установка | Настенный монтаж | ||||||


